Customer-specific project planning is part of our everyday work.
Close cooperation across our in-house departments guarantees that projects run smoothly.
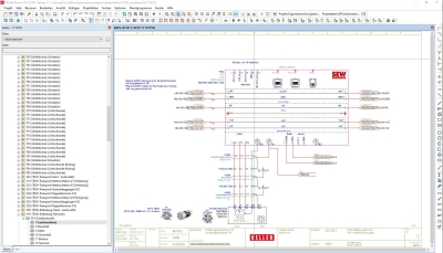
We create the electrical circuit diagrams by function groups with EPLAN-P8-2023.
Hardware design
Tailor-made from one source
Hardware design - EPLAN-P8-2023
After project planning of the electrical circuit diagrams, our experienced engineers and technicians prepare electrical installation drawings and the tenders.
This is what distinguishes us from others:
- Our engineers and technicians design the project according to your customized specifications.
- support from the initial idea until the acceptance by the customer
- planning with EPLAN-P8-2023
- development of the digital twin
- calculation of the switch cabinet air conditioning using Rittal Therm
- application of the end customer's standards, design regulations and specifications
- document kinds according to IEC 61355
- device tags according to IEC 81346-2




