Basics of infrared temperature measurement
Introduction
Temperature measurement can be divided into two categories; contact and non-contact. In practice, thermocouples and Pt 100 probes are the most commonly used representatives of the first group. They must touch the measuring object and, in principle, measure their own temperature, which is adapted to the object. This leads to a relatively slow response behaviour. Contactless sensors measure the infrared (IR) energy emitted by an object, have fast response times and are often used to measure moving objects as well as objects that are in a vacuum or inaccessible for other reasons.
Infrared thermometers or pyrometers are highly developed sensors that are widely used in research and industry. This paper describes in an understandable way the theory on which this measurement principle is based and how this theory can help to deal with the various application-specific parameters faced by potential users.
Fig. 1 Electromagnetic spectrum
Theory and basics
Infrared radiation was discovered by Sir Isaac Newton in 1666 when he passed sunlight through a prism and separated it into the colours of the rainbow. In 1880, Sir William Herschel took the next step by determining the relative energy of the individual colours. He also discovered energy beyond the visible spectrum. In the early 1900s, Planck, Stefan, Boltzmann, Wien and Kirchhoff further defined the activities of the electromagnetic spectrum and established quantitative data and equations to describe IR energy.
Infrared thermometers measure the temperature by measuring the infrared radiation emitted by all materials and objects with a temperature above absolute zero (0° Kelvin). In the simplest design, a lens focusses the IR energy onto the detector, which converts the energy into an electrical signal. After compensating for the ambient temperature, this signal can then be displayed. This configuration enables the temperature to be measured from a certain distance and without contact with the measuring object. This makes the infrared thermometer suitable for measuring tasks in which thermocouples or other probes cannot be used or provide inaccurate results. Some typical examples are the measurement of moving or very small objects, live parts or aggressive chemicals, measurements in strong electromagnetic fields, measurement of objects in a vacuum or other enclosed environments and applications where a fast response time is required.
The first designs for infrared thermometers have existed since the 19th century. Some concepts were presented by Charles A. Darling in his book "Pyrometry", which was published in 1911.
It took until 1930 before the technology was available to put these concepts into practice. Since then, these instruments have undergone continuous further development, during the course of which extensive knowledge and application experience has been gathered. Today, this concept has established itself as a standard measurement method and is used in industry and research.
Infrared thermometers measure the temperature by measuring the infrared radiation emitted by all materials and objects with a temperature above absolute zero (0° Kelvin). In the simplest design, a lens focusses the IR energy onto the detector, which converts the energy into an electrical signal. After compensating for the ambient temperature, this signal can then be displayed. This configuration enables the temperature to be measured from a certain distance and without contact with the measuring object. This makes the infrared thermometer suitable for measuring tasks in which thermocouples or other probes cannot be used or provide inaccurate results. Some typical examples are the measurement of moving or very small objects, live parts or aggressive chemicals, measurements in strong electromagnetic fields, measurement of objects in a vacuum or other enclosed environments and applications where a fast response time is required.
The first designs for infrared thermometers have existed since the 19th century. Some concepts were presented by Charles A. Darling in his book "Pyrometry", which was published in 1911.
It took until 1930 before the technology was available to put these concepts into practice. Since then, these instruments have undergone continuous further development, during the course of which extensive knowledge and application experience has been gathered. Today, this concept has established itself as a standard measurement method and is used in industry and research.
Measurement principle
As already mentioned, all bodies with a temperature above 0°K emit infrared energy. Infrared radiation is the part of the electromagnetic spectrum that lies between visible light and radio waves. The wavelength of IR radiation ranges from 0.7 µm to 1,000 µm, as shown in Figure 1. In practice, however, only the wavelengths from 0.7 to 20 µm from this frequency range are suitable for measuring the temperature. There are currently no detectors available that are sensitive enough to measure the small amounts of energy that are emitted above a wavelength of 20 µm. The energy increases in proportion to the fourth power of the temperature.
The curve (Figure 2) shows the energy emitted by a blackbody in a temperature range from 700 K to 1,300 K. As can be seen, the majority of IR radiation is beyond the visible range. Although IR radiation is not perceptible to the human eye, it is nevertheless helpful to think of this radiation as visible light in order to gain an understanding of the functional principle and the issues that arise in applications.
In many respects, IR radiation actually behaves like visible light. IR radiation travels in a straight line away from the radiation source and can be reflected or absorbed by objects in the beam path. From most objects that are not transparent to the human eye, the IR radiation is partly reflected and partly absorbed by the object. Some of the absorbed energy is reflected internally and some is emitted again. This also applies to objects that are transparent to the human eye, such as glass, gases and thin transparent plastic film. Besides, however, some of the radiation also penetrates through the object. Figure 3 illustrates these processes. All in all, these processes contribute to what we call the emission factor of an object or material.
The curve (Figure 2) shows the energy emitted by a blackbody in a temperature range from 700 K to 1,300 K. As can be seen, the majority of IR radiation is beyond the visible range. Although IR radiation is not perceptible to the human eye, it is nevertheless helpful to think of this radiation as visible light in order to gain an understanding of the functional principle and the issues that arise in applications.
In many respects, IR radiation actually behaves like visible light. IR radiation travels in a straight line away from the radiation source and can be reflected or absorbed by objects in the beam path. From most objects that are not transparent to the human eye, the IR radiation is partly reflected and partly absorbed by the object. Some of the absorbed energy is reflected internally and some is emitted again. This also applies to objects that are transparent to the human eye, such as glass, gases and thin transparent plastic film. Besides, however, some of the radiation also penetrates through the object. Figure 3 illustrates these processes. All in all, these processes contribute to what we call the emission factor of an object or material.
Fig. 2 Radiation properties of blackbodies
Fig. 3 Heat exchange and radiation
As with visible light, the more polished a surface is, the more energy it reflects. The surface condition therefore also influences the emission factor. When measuring temperature, this is particularly important for objects that are IR-impermeable and have a low emission factor. An object made of polished stainless steel has a significantly lower emission factor than the same object with a rough surface. After machining, e.g. after turning, the rough object has many small grooves and some unevenness that significantly reduce the reflectivity of the workpiece.
It follows from the law of conservation of energy that the sum of the coefficients of transmitted, reflected and emitted (absorbed) IR energy must be equal to 1.
σλ + αλ + τλ = 1
Furthermore, the emission factor is equal to the absorption factor:
ελ = αλ
The following applies:
ελ = 1 - σλ+ τλ
It follows from the law of conservation of energy that the sum of the coefficients of transmitted, reflected and emitted (absorbed) IR energy must be equal to 1.
σλ + αλ + τλ = 1
Furthermore, the emission factor is equal to the absorption factor:
ελ = αλ
The following applies:
ελ = 1 - σλ+ τλ
Fig. 4 Comparison of blackbodies, greybodies and coloured emitters
The coefficient can be used in Planck's equation as a variable that describes the properties of a surface relative to the wavelength. For impermeable objects, the equation can be simplified as follows:
ελ = 1 - σλ
Objects that neither reflect nor transmit infrared radiation are referred to as blackbodies. A natural blackbody is not known. For theoretical purposes and for calculating other objects, a blackbody has an emission factor of 1.0. In practice, the best approximation of a real blackbody is obtained by using an IR-impermeable sphere with a small, cylindrical entrance opening. The internal surface of such an object has an emission factor of 0.998.
The emission factor is a measure of the ratio of thermal radiation emitted by a greybody and a blackbody at the same temperature. A greybody is an object that has the same emission factor at all wavelengths and emits less infrared radiation than a blackbody. A coloured emitter is an object whose emission factor changes with the wavelength, as is the case with metals, for example.
ελ = 1 - σλ
Objects that neither reflect nor transmit infrared radiation are referred to as blackbodies. A natural blackbody is not known. For theoretical purposes and for calculating other objects, a blackbody has an emission factor of 1.0. In practice, the best approximation of a real blackbody is obtained by using an IR-impermeable sphere with a small, cylindrical entrance opening. The internal surface of such an object has an emission factor of 0.998.
The emission factor is a measure of the ratio of thermal radiation emitted by a greybody and a blackbody at the same temperature. A greybody is an object that has the same emission factor at all wavelengths and emits less infrared radiation than a blackbody. A coloured emitter is an object whose emission factor changes with the wavelength, as is the case with metals, for example.
Different materials also have different emission factors and therefore emit IR radiation with a different intensity at a given temperature. This is generally not a function of the colour, unless the material of the colour is clearly different from the material of the object. An example of a case where this applies is metal-effect paint, which contains large quantities of aluminium particles. Most colours have the same emission factor, independent of the colour shade. Aluminium, on the other hand, has a very different emission factor, resulting in a different emission factor for the metal-effect paint.
In addition to the composition and surface structure of an object, a third factor has an indirect effect on the emission factor: the spectral range of the sensor. It has no direct influence on the object, but on how the sensor perceives the spectrum emitted by the object.
Materials that are partially transparent, such as glass, plastics or silicone, can be measured in one area in combination with the corresponding selective filters.
In addition to the composition and surface structure of an object, a third factor has an indirect effect on the emission factor: the spectral range of the sensor. It has no direct influence on the object, but on how the sensor perceives the spectrum emitted by the object.
Materials that are partially transparent, such as glass, plastics or silicone, can be measured in one area in combination with the corresponding selective filters.
Fig. 5 Emission factor of different materials depending on the wavelength
From the previous paragraphs it became clear that the emission factor is a particularly important parameter of infrared temperature measurement. As long as the emission factor of the measured object is not precisely known and taken into account in the measurement, it is very unlikely that the measured values obtained will be accurate. There are essentially two ways of determining the emission factor. The emission factor can either be taken from tables or determined by comparative measurement. However, as the data in the tables were generally determined under idealized laboratory conditions, environmental influences, which cause an enormous deviation, especially at low factors, are not taken into account. The tables also do not specify the underlying measuring temperature and measuring wavelength. As a first approximation, the table value is certainly very helpful. In the comparative measurement, the measuring object is measured with a thermocouple or other temperature sensor in order to subsequently set the emission factor on the IR thermometer so that it displays the same temperature. As a general rule, most opaque, non-metallic materials have a high and relatively stable emission factor of 0.85 to 0.95. For most non-oxidized metallic materials, the emission factor is in the range of 0.2 to 0.5, with the exception of gold, silver and aluminium, which have an even lower emission factor. The temperature of these metals is therefore difficult to measure with infrared thermometers, as the reflection component of the ambient radiation is of the same order of magnitude or higher than the object radiation.
While it is almost always possible to determine the emission factor of the material, problems arise when the material does not have a constant emission factor, but changes with temperature. This applies to most metals, but also to some other materials, such as silicon or high-purity, monocrystalline ceramics. Here, the comparative measurement and adjustment should be carried out at the process-critical temperature.
The equations and formulas on which the temperature measurement is based have been known and proven for a long time. It is unlikely that the user will need to use the formulas in their daily work with IR thermometers. However, knowledge of these basics enables a better understanding of how certain variables and parameters influence each other. The most important formulas are summarized:
1. Kirchhoff's radiation law
At a given temperature T and wavelength l, the emissivity e is equal to the absorptance
e = α
From this it follows that the radiation flux øλ of a real object is equal to that of the blackbody ø at the same temperature multiplied by the emissivity of the object
øλ = ε * øs
2. Stefan-Boltzmann law
The higher the temperature T of an object, the more radiation power P is emitted for a given emissivity ε and the radiating surface A (k = constant)
P = k*ε*A*T4
3. Wien's displacement law
The wavelength at which the maximum energy radiation is located shifts towards the short-wave range with increasing temperature.
λmax = 2.89 * 103 μmK/T
4. Planck's equation
This equation describes the relationship between wavelength, temperature T and radiation power.

Conception of infrared thermometers
An infrared thermometer basically consists of the following function blocks:
1. A lens that focusses the energy emitted by the object.
2. A detector that converts the radiation energy into an electrical signal.
3. A setting for the emission factor to adjust the thermometer to the properties of the measuring object.
4. An ambient temperature compensation that prevents the temperature of the thermometer from being included in the output signal.
For many years, most commercially available IR thermometers followed this concept. They were limited in their application possibilities and, in retrospect, did not provide satisfactory measurement results. By the standards of the time, however, they were perfectly adequate and very robust.
1. A lens that focusses the energy emitted by the object.
2. A detector that converts the radiation energy into an electrical signal.
3. A setting for the emission factor to adjust the thermometer to the properties of the measuring object.
4. An ambient temperature compensation that prevents the temperature of the thermometer from being included in the output signal.
For many years, most commercially available IR thermometers followed this concept. They were limited in their application possibilities and, in retrospect, did not provide satisfactory measurement results. By the standards of the time, however, they were perfectly adequate and very robust.
Fig. 6 Block diagram of an IR thermometer
Modern IR thermometers are based on this basic concept, but have been significantly refined over time. The most important differences are the use of a variety of different detector types, selective filtering of the IR signal, linearization and amplification of the detector signal as well as standardized temperature output signals such as 4-20 mA or 0-10 V DC. Figure 6 shows a block diagram of a modern infrared pyrometer.
Probably the most significant advance in IR temperature measurement was achieved with the introduction of selective filters for IR radiation. This made it possible to use more sensitive detectors and more stable signal amplifiers. While early IR thermometers were dependent on a broad IR spectrum in order to obtain a usable detector output signal, a bandwidth of 1 μm or more is completely sufficient for modern detectors. The need to narrow the spectrum and select certain wavelengths arises from the fact that measurements often have to be taken through a medium whose temperature should not be included in the measurement due to the carbon or hydrogen content. Furthermore, it is sometimes necessary to measure the temperature of objects or gases that are permeable over a wide range of the IR spectrum. Some examples of a selective limitation of the spectrum are :
- 8 - 14 μm: Influences of air humidity are also excluded over greater distances.
- 7.9 μm: Enables the measurement of thin plastic films that are IR-permeable over wide areas.
- 3.86 μm: Interference with CO2 and water vapour in flames and combustion exhaust gases is effectively suppressed.
Probably the most significant advance in IR temperature measurement was achieved with the introduction of selective filters for IR radiation. This made it possible to use more sensitive detectors and more stable signal amplifiers. While early IR thermometers were dependent on a broad IR spectrum in order to obtain a usable detector output signal, a bandwidth of 1 μm or more is completely sufficient for modern detectors. The need to narrow the spectrum and select certain wavelengths arises from the fact that measurements often have to be taken through a medium whose temperature should not be included in the measurement due to the carbon or hydrogen content. Furthermore, it is sometimes necessary to measure the temperature of objects or gases that are permeable over a wide range of the IR spectrum. Some examples of a selective limitation of the spectrum are :
- 8 - 14 μm: Influences of air humidity are also excluded over greater distances.
- 7.9 μm: Enables the measurement of thin plastic films that are IR-permeable over wide areas.
- 3.86 μm: Interference with CO2 and water vapour in flames and combustion exhaust gases is effectively suppressed.
The temperature range plays an important role in selecting the most suitable wavelength for the measurement. Planck's equation, as shown in Figure 2 for a blackbody, shows that the maximum of the radiation curve shifts towards the short-wave range with increasing temperature. Even in applications where no selective selection of a spectral range is required, it can be advantageous to restrict the spectral range to a narrow section as short-wave as possible. One advantage is that the effective emission factor of many objects is highest for metals with shorter wavelengths. Furthermore, this limitation has a favourable effect on the accuracy, as sensors with a narrow spectral range are less influenced by changes in the emission factor of the measuring object, as can be seen in Figure 7.
Fig. 7 Dependence of the mismatched emissivity at different wavelengths
Constructive design
IR thermometers are manufactured in a variety of configurations that differ in lenses, electronics, technology, size and housing. However, the signal processing chain is generally characterized by an IR signal at the beginning and an electronic output signal at the end. This general measuring chain starts with an optical system consisting of lenses and/or fibre optic cables, filters and the detector.
From an application point of view, the field of view is the essential feature of the optical system, i.e. how large is the measuring spot at a given distance. The ratio of the measuring distance to the measuring spot diameter is described by the distance ratio. In practice, you can choose between pyrometers with a fixed focal length and focusable lens. Devices with fixed lenses only produce a sharp image of the object at the focal point. At other measuring distances, the measuring spot diameter increases disproportionately to the calculated distance ratio. Such lenses are primarily suitable for large-area objects. The use of focusable lenses is recommended for small objects or larger measuring distances. Due to the adjustability of the measuring distance, pyrometers with focusable lenses can be used much more flexibly.
When specifying and comparing the measuring spot diameter, it is important to know what percentage of the radiation power the specification refers to. For example, a measuring spot related to 98 % of the energy is twice as large as a diameter related to 90 % of the power. This can lead to considerable measurement errors, especially with small objects of the same size as the pyrometer measuring spot.
Another aspect of the optical system is the aiming of the measuring object. In devices without a sighting aid, the lens is fixed to the surface and measures the surface temperature. This applies above all to stationary sensors that are aligned to sufficiently large objects and where precise measurement is not required. For smaller measuring objects or instruments that measure at greater distances, a sighting device in the form of a through-the-lens sighting, a light spot or a laser beam is indispensable.
The sensitivity of the pyrometer is determined by the use of a range of different detectors and filters. As can be seen from Figure 8, lead sulphide detectors offer the highest sensitivity and thermopiles the lowest. Most detectors work either according to the photoelectric principle (incident IR radiation causes a voltage signal) or are based on photoconductivity (incident IR radiation changes the resistance).
Due to the low radiation energy, correspondingly broadband spectral ranges are required at low temperatures and thus longer measuring wavelengths. At higher temperatures, the sensitivity is greatly reduced by narrow-band filters. This minimizes wavelength-dependent interferences.
To optimize the response behaviour of IR sensor systems, the spectral curve of the detector and its characteristics must be taken into account.
The electronics of the IR thermometer linearize the output signal of the detector to ultimately generate a linear current 0 (4) - 20 mA or voltage signal 0(2)-10 V. Linearization is now often carried out by software using a microprocessor.
Compared to analogue linearization, this allows higher accuracies to be achieved with larger measuring spans.
The signal can also be digitized and output to an interface or fed to a controller, indicator or recorder. As additional functions, IR thermometers have alarms, adjustable min/max memory for intermittent measurements, adjustable measuring intervals and response times as well as sample-and-hold functions, depending on the equipment.
As mentioned at the beginning, the advantage of non-contact temperature measurement is the short response time. Thermoelectric detectors for low-temperature devices achieve response times of 30 ms. Photoelectric high-temperature detectors have response times of 2 ms.
If a sensor with fast response times is used in an application, the other components of the control circuit must also allow corresponding processing or actuating speeds.
The electronics of the IR thermometer linearize the output signal of the detector to ultimately generate a linear current 0 (4) - 20 mA or voltage signal 0(2)-10 V. Linearization is now often carried out by software using a microprocessor.
Compared to analogue linearization, this allows higher accuracies to be achieved with larger measuring spans.
The signal can also be digitized and output to an interface or fed to a controller, indicator or recorder. As additional functions, IR thermometers have alarms, adjustable min/max memory for intermittent measurements, adjustable measuring intervals and response times as well as sample-and-hold functions, depending on the equipment.
As mentioned at the beginning, the advantage of non-contact temperature measurement is the short response time. Thermoelectric detectors for low-temperature devices achieve response times of 30 ms. Photoelectric high-temperature detectors have response times of 2 ms.
If a sensor with fast response times is used in an application, the other components of the control circuit must also allow corresponding processing or actuating speeds.
Fig. 8 Spectral curve of various sensors
Monochromatic measurement: temperature measurement at one wavelength
When measuring temperature at a wavelength, the energy emitted by a surface at a specified wavelength is measured. The designs of these instruments range from portable sensors with a simple external display to sophisticated portable instruments in which the temperature is displayed in a window through which the object can be viewed. Storage and print functions are also available. The spectrum of stationary online sensors ranges from simple small detectors with external electronics to robust and complex assembly groups with an integrated PID controller. Fibre optic cable, through-the-lens sighting, laser aiming devices, water cooling and scanner systems are options that are used in process monitoring and control. Recently, pyrometers have even been offered with an integrated video camera so that the measuring point can be visually monitored from the control room in addition to the measurement. There are major differences in terms of size, performance, robustness, flexibility and signal processing.
When planning and designing applications, sensor configuration, filters, temperature range, lenses, response time and emission factor are important criteria that must be considered in detail.
The selection of the IR spectral range and the temperature range must always be considered in combination with the specific application. From the spectral curves shown in Figure 2, it can be seen that short wavelengths are better suited for high temperatures, while low temperatures should be measured in the longer wavelength range. If transparent measuring objects such as glass or plastic films are to be measured, a narrow-band, selective filter is required. Polythene film, for example, has a CH absorption range of 3.43 μm, at which point it is impermeable to IR radiation. Similarly, many glassy materials have an impermeable area at approx. 5 μm. Conversely, a sensor with a filter in the range up to 2 μm allows measurement through a glass window, for example for vacuum or pressure chambers. Another option for measuring in chambers, in confined spaces or at high ambient temperatures is the use of fibre optic cables.
IR temperature measurement using a single wavelength is therefore a versatile yet simple technology that is sufficient for many applications in which product temperature control is essential for consistent product quality.
When planning and designing applications, sensor configuration, filters, temperature range, lenses, response time and emission factor are important criteria that must be considered in detail.
The selection of the IR spectral range and the temperature range must always be considered in combination with the specific application. From the spectral curves shown in Figure 2, it can be seen that short wavelengths are better suited for high temperatures, while low temperatures should be measured in the longer wavelength range. If transparent measuring objects such as glass or plastic films are to be measured, a narrow-band, selective filter is required. Polythene film, for example, has a CH absorption range of 3.43 μm, at which point it is impermeable to IR radiation. Similarly, many glassy materials have an impermeable area at approx. 5 μm. Conversely, a sensor with a filter in the range up to 2 μm allows measurement through a glass window, for example for vacuum or pressure chambers. Another option for measuring in chambers, in confined spaces or at high ambient temperatures is the use of fibre optic cables.
IR temperature measurement using a single wavelength is therefore a versatile yet simple technology that is sufficient for many applications in which product temperature control is essential for consistent product quality.
Ratio measurement: temperature measurement at two or more wavelengths
Given that the emission factor plays a vital role in the accurate measurement of temperature with infrared thermometers or that there are intermediate media in the beam path, it is not surprising that researchers are endeavouring to develop sensors that can measure temperature independently of these interferences. A widespread and proven approach for this is the ratio or multi-colour measurement. This method measures the ratio of the energy at two different wavelengths instead of the absolute amount of energy of a wavelength. The word "multicolour measurement" is derived from the old idea of combining visible colours with temperature. This idea, and therefore also the term, is now somewhat outdated, but still in common use.
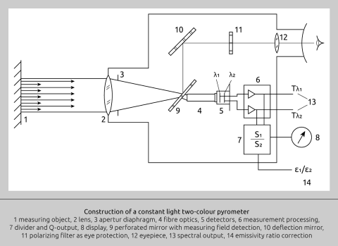
The effectiveness of this concept is based on the fact that changes in the surface properties of the measuring object or obstacles located in the cone of vision to the measurement object are perceived in the same way by both detectors. Therefore, the ratio between the sensor output signals remains the same and so does the measured temperature. Figure 9 shows a simplified representation of a pyrometer operating according to this principle.
The effectiveness of this concept is based on the fact that changes in the surface properties of the measuring object or obstacles located in the cone of vision to the measurement object are perceived in the same way by both detectors. Therefore, the ratio between the sensor output signals remains the same and so does the measured temperature. Figure 9 shows a simplified representation of a pyrometer operating according to this principle.
Fig. 9 Ratio measurement
By measuring the ratio instead of the absolute value, inaccuracies caused by an unknown or changing emission factor can be avoided under the conditions described above. The temperature is also measured correctly if part of the field of view is obscured by colder materials such as dust, vapour, holding devices or windows.
As long as the medium between the object and the sensor does not selectively attenuate certain wavelengths, the ratio remains constant and so does the temperature measured by the thermometer.
This method is therefore suitable for applications that would be difficult or impossible to solve with other measurement techniques, e.g. temperature measurement in cement kilns or measurement through a window that fogs up during the process, as is the case with the vacuum melting of metals. However, it should be noted that these dynamic changes must be perceived equally by both sensors, i.e. the changes must affect all wavelengths equally.
Of course, there are also limits to this process that must be observed. The ratio measurement is not suitable for coloured emitters, such as aluminium. Likewise, it cannot be used to measure through windows that change in transmission or hot Pyrex. There is also a tendency with this method to record and measure background temperatures if these are greater than the temperature of the measuring object.
As long as the medium between the object and the sensor does not selectively attenuate certain wavelengths, the ratio remains constant and so does the temperature measured by the thermometer.
This method is therefore suitable for applications that would be difficult or impossible to solve with other measurement techniques, e.g. temperature measurement in cement kilns or measurement through a window that fogs up during the process, as is the case with the vacuum melting of metals. However, it should be noted that these dynamic changes must be perceived equally by both sensors, i.e. the changes must affect all wavelengths equally.
Of course, there are also limits to this process that must be observed. The ratio measurement is not suitable for coloured emitters, such as aluminium. Likewise, it cannot be used to measure through windows that change in transmission or hot Pyrex. There is also a tendency with this method to record and measure background temperatures if these are greater than the temperature of the measuring object.
Figure 10 shows an example of various products whose emission factor changes with temperature. Graphite, for example, is often spontaneously assessed as having a high and constant emission factor. The opposite is true: the emission factor increases from 0.4 to 0.65 over a range of 20°C to 1,100°C.
For coloured emitters, whose emission factor changes with the wavelength, there are multicolour thermometers that measure the energy of a whole range of wavelengths. Such applications are preceded by a detailed analysis of the surface properties of the product concerned. For example, the relationship between emission factor, temperature, wavelength and surface chemistry must be analyzed. This data can be used to set up algorithms that relate the radiation at different wavelengths to the temperature in a meaningful way.
If there is a medium in the field of view whose particle size corresponds to one of the wavelengths used for measurement, the ratio is also incorrect.
Despite these limitations, the ratio measurement works extremely well in a number of applications. In some applications, this method is the best, if not the only sensible solution for measuring temperature.
For many materials, the emission factor changes with temperature. This illustration shows some common materials.
Fig. 10 For many materials, the emission factor changes with temperature. This illustration shows some common materials.
For coloured emitters, whose emission factor changes with the wavelength, there are multicolour thermometers that measure the energy of a whole range of wavelengths. Such applications are preceded by a detailed analysis of the surface properties of the product concerned. For example, the relationship between emission factor, temperature, wavelength and surface chemistry must be analyzed. This data can be used to set up algorithms that relate the radiation at different wavelengths to the temperature in a meaningful way.
If there is a medium in the field of view whose particle size corresponds to one of the wavelengths used for measurement, the ratio is also incorrect.
Despite these limitations, the ratio measurement works extremely well in a number of applications. In some applications, this method is the best, if not the only sensible solution for measuring temperature.
For many materials, the emission factor changes with temperature. This illustration shows some common materials.
Fig. 10 For many materials, the emission factor changes with temperature. This illustration shows some common materials.
Fig. 10 For many materials, emissivity will change with temperature. This illustration depicts several commonly measured materials.
Conclusion
Figure 11 shows once again the essential elements of an application. The most important aspect here is the surface of the measuring object. When selecting a suitable device, the size of the measuring object, temperature range, emission factor, spectral sensitivity and response time must be taken into account.
In addition, the ambient conditions, e.g. the presence of flames, IR radiant heaters, induction furnaces and the nature of the atmosphere (dust, contaminated windows, smoke, heat, etc.) must also be taken into account when selecting the most suitable device.
In addition, the ambient conditions, e.g. the presence of flames, IR radiant heaters, induction furnaces and the nature of the atmosphere (dust, contaminated windows, smoke, heat, etc.) must also be taken into account when selecting the most suitable device.
Fig. 11 Interferences
Infrared temperature measurement is a mature technology that is continuously being optimized and adapted for other new applications. It proves its worth every day in a wide range of industries as well as in research. With a correct understanding of the underlying technology and consideration of all relevant application parameters, this measuring method usually leads to the desired results, provided the instrument has been carefully installed. Careful in this context means that the sensor is operated within its specifications and that sufficient precautions have been taken to keep the lens free from contamination and deposits.
One criterion when selecting a thermometer manufacturer should therefore be the availability of protection and installation accessories. The extent to which these accessories allow for quick disassembly and, if necessary, replacement of the sensor should also be taken into account. If these guidelines are observed, modern infrared thermometers work more reliably than thermocouple or Pt100 probes in many cases.
One criterion when selecting a thermometer manufacturer should therefore be the availability of protection and installation accessories. The extent to which these accessories allow for quick disassembly and, if necessary, replacement of the sensor should also be taken into account. If these guidelines are observed, modern infrared thermometers work more reliably than thermocouple or Pt100 probes in many cases.














