La planificación de proyectos específicos para cada cliente forma parte de nuestro trabajo diario.
La estrecha colaboración con nuestros departamentos internos garantiza que los proyectos se desarrollen sin contratiempos.
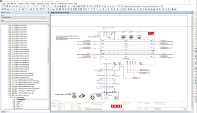
Proyectamos los esquemas de circuitos según los grupos de funciones de EPLAN-P8-2023.
Diseño de hardware
Hecho a medida por un único proveedor
Diseño de hardware - EPLAN-P8-2023
Tras la planificación de los esquemas de los circuitos, nuestros experimentados ingenieros y técnicos preparan los planos de las instalaciones eléctricas y las ofertas.
Esto nos distingue
- Ingenieros y técnicos proyectan según las especificaciones de su cliente
- Apoyo desde la idea hasta la aceptación del cliente
- Desarrollo en EPLAN-P8-2023
- Desarrollo para el gemelo digital
- Cálculo de la climatización de armarios con Rittal Therm
- Consideración de las normas, reglas de diseño y especificaciones del cliente final
- Tipos de documentos según EN 61355
- Etiquetado de equipos según EN 81346-2




