La réalisation de projets spécifiques aux clients représente notre travail quotidien.
L'étroite collaboration entre nos services internes garantit le bon déroulement des projets.
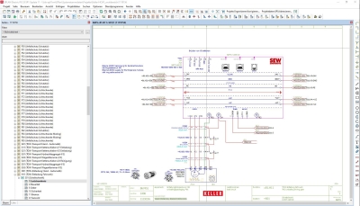
Nous concevons les schémas des circuits par groupes fonctionnels dans EPLAN-P8-2023.
Conception de matériel hardware
Du sur mesure avec un seul fournisseur
Conception de matériel hardware - EPLAN-P8-2023
Une fois les schémas des circuits conçus, nos ingénieurs et techniciens expérimentés réalisent les plans d'installation électrique et les appels d'offres.
Ce qui nous distingue :
- Nous accompagnons chaque client de l’idée jusqu’à la réception du projet.
- développement dans EPLAN-P8-2023
- développement pour le jumeau numérique
- calculs pour la climatisation de l'armoire électrique avec Rittal Therm
- prise en compte des normes, des règles de construction et du cahier des charges du client final
- types de documents selon EN 61355
- identification du matériel selon EN 81346-2





