La mesure de la température peut être divisée en deux catégories ; avec contact et sans contact. Dans la pratique, les thermocouples et les sondes Pt 100 sont les représentants les plus courants de la première catégorie. Ils doivent toucher l'objet à mesurer et mesurent en principe leur propre température, adaptée à l'objet. Cela se traduit par une réponse relativement lente. Les capteurs sans contact mesurent l'énergie infrarouge (IR) émise par un objet, ont un temps de réponse rapide et sont souvent utilisés pour mesurer des objets en mouvement ainsi que des objets qui se trouvent dans le vide ou qui sont inaccessibles pour d'autres raisons.
Les thermomètres ou pyromètres infrarouges sont des capteurs sophistiqués qui ont été largement utilisés dans la recherche et l'industrie. Cet article décrit de manière compréhensible la théorie sur laquelle repose ce principe de mesure et comment cette théorie peut aider à gérer les différents paramètres spécifiques à l'application auxquels sont confrontés les utilisateurs potentiels.
Bases fondamentales de la thermométrie infrarouge
Introduction
Fig. 1 Spectre électromagnétique
Théorie et fondements
Le rayonnement infrarouge a été découvert par Sir Isaac Newton en 1666 lorsqu'il a fait passer la lumière du soleil à travers un prisme et l'a séparée en couleurs de l'arc-en-ciel. En 1880, Sir William Herschel fit un grand pas vers l’avant en déterminant l'énergie relative de chaque couleur. Il a également découvert l'énergie au-delà du spectre visible. Au début des années 1900, Planck, Stefan, Boltzmann, Wien et Kirchhoff définissent les activités du spectre électromagnétique et établissent des données quantitatives et des équations pour décrire l'énergie infrarouge.
Les thermomètres infrarouges mesurent la température en mesurant le rayonnement infrarouge émis par tous les matériaux et objets ayant une température supérieure au zéro absolu (0° Kelvin). Dans la conception la plus simple, une lentille concentre l'énergie IR sur le détecteur, qui convertit l'énergie en un signal électrique. Après compensation de la température ambiante, ce signal peut alors être affiché. Cette configuration permet de mesurer la température à une certaine distance et sans contact avec l'objet à mesurer. Ainsi, le thermomètre infrarouge convient aux tâches de mesure dans lesquelles des thermocouples ou d'autres capteurs ne peuvent pas être utilisés ou donnent des résultats inexacts. Quelques exemples typiques sont la mesure d'objets en mouvement ou très petits, de pièces sous tension ou de produits chimiques agressifs, la mesure dans des champs électromagnétiques puissants, la mesure d'objets dans le vide ou dans d'autres environnements fermés, ainsi que les applications nécessitant un temps de réponse rapide.
Les premiers modèles de thermomètres infrarouges existent depuis le 19ème siècle. Certains concepts ont été présentés par Charles A. Darling dans son livre "Pyrometry", publié en 1911.
Il a fallu attendre 1930 pour que la technologie soit disponible pour mettre ces concepts en pratique. Depuis lors, ces instruments ont fait l'objet d'un développement continu au cours duquel une connaissance et une expérience approfondies des applications ont pu être acquises. Aujourd'hui, ce concept s'est imposé comme une méthode de mesure standard et est utilisé dans l'industrie et la recherche.
Les thermomètres infrarouges mesurent la température en mesurant le rayonnement infrarouge émis par tous les matériaux et objets ayant une température supérieure au zéro absolu (0° Kelvin). Dans la conception la plus simple, une lentille concentre l'énergie IR sur le détecteur, qui convertit l'énergie en un signal électrique. Après compensation de la température ambiante, ce signal peut alors être affiché. Cette configuration permet de mesurer la température à une certaine distance et sans contact avec l'objet à mesurer. Ainsi, le thermomètre infrarouge convient aux tâches de mesure dans lesquelles des thermocouples ou d'autres capteurs ne peuvent pas être utilisés ou donnent des résultats inexacts. Quelques exemples typiques sont la mesure d'objets en mouvement ou très petits, de pièces sous tension ou de produits chimiques agressifs, la mesure dans des champs électromagnétiques puissants, la mesure d'objets dans le vide ou dans d'autres environnements fermés, ainsi que les applications nécessitant un temps de réponse rapide.
Les premiers modèles de thermomètres infrarouges existent depuis le 19ème siècle. Certains concepts ont été présentés par Charles A. Darling dans son livre "Pyrometry", publié en 1911.
Il a fallu attendre 1930 pour que la technologie soit disponible pour mettre ces concepts en pratique. Depuis lors, ces instruments ont fait l'objet d'un développement continu au cours duquel une connaissance et une expérience approfondies des applications ont pu être acquises. Aujourd'hui, ce concept s'est imposé comme une méthode de mesure standard et est utilisé dans l'industrie et la recherche.
Principe de mesure
Comme mentionné précédemment, tous les corps à une température supérieure à 0°K émettent de l'énergie infrarouge. Le rayonnement infrarouge est la partie du spectre électromagnétique située entre la lumière visible et les ondes radio. La longueur d'onde du rayonnement infrarouge varie de 0,7 µm à 1000 µm, comme le montre l’image 1000. Dans la pratique, cependant, seules les longueurs d'onde de 0,7 à 20 µm de cette gamme de fréquences conviennent à la mesure de la température. À l'heure actuelle, il n'existe pas de détecteurs suffisamment sensibles pour mesurer les faibles quantités d'énergie rayonnées au-dessus d'une longueur d'onde de 20 µm. L'énergie croît alors proportionnellement à la puissance 4 de la température.
La courbe (figure 2) représente l'énergie émise par un corps noir dans une plage de température comprise entre 700 K et 1300 K. Comme on peut le voir, la majeure partie se situe au-delà du domaine visible. Le rayonnement IR n'est certes pas perceptible par l'œil humain, mais il est néanmoins utile de se représenter ce rayonnement comme de la lumière visible pour comprendre le principe de fonctionnement et les questions qui se posent pour les applications.
Sous de nombreux aspects, le rayonnement IR se comporte effectivement comme la lumière visible. Le rayonnement IR se déplace en ligne droite en s'éloignant de la source de rayonnement et peut être réfléchi ou absorbé par des objets situés sur le trajet du faisceau. Sur la plupart des objets qui ne sont pas transparents pour l'œil humain, le rayonnement IR est en partie réfléchi et en partie absorbé par l'objet. Une partie de l'énergie absorbée est à son tour réfléchie en interne et une partie est réémise. Cela vaut également pour les objets qui sont transparents à l'œil humain, comme le verre, les gaz et les films plastiques fins et transparents. Mais en plus de cela, une partie du rayonnement traverse l'objet. La figure 3 illustre ces processus. Dans l'ensemble, ces processus contribuent à ce que nous appelons le facteur d'émission d'un objet ou d'un matériau.
La courbe (figure 2) représente l'énergie émise par un corps noir dans une plage de température comprise entre 700 K et 1300 K. Comme on peut le voir, la majeure partie se situe au-delà du domaine visible. Le rayonnement IR n'est certes pas perceptible par l'œil humain, mais il est néanmoins utile de se représenter ce rayonnement comme de la lumière visible pour comprendre le principe de fonctionnement et les questions qui se posent pour les applications.
Sous de nombreux aspects, le rayonnement IR se comporte effectivement comme la lumière visible. Le rayonnement IR se déplace en ligne droite en s'éloignant de la source de rayonnement et peut être réfléchi ou absorbé par des objets situés sur le trajet du faisceau. Sur la plupart des objets qui ne sont pas transparents pour l'œil humain, le rayonnement IR est en partie réfléchi et en partie absorbé par l'objet. Une partie de l'énergie absorbée est à son tour réfléchie en interne et une partie est réémise. Cela vaut également pour les objets qui sont transparents à l'œil humain, comme le verre, les gaz et les films plastiques fins et transparents. Mais en plus de cela, une partie du rayonnement traverse l'objet. La figure 3 illustre ces processus. Dans l'ensemble, ces processus contribuent à ce que nous appelons le facteur d'émission d'un objet ou d'un matériau.
Fig. 2 Propriétés radiatives des corps noirs
Fig. 3 Echange de chaleur et rayonnement
Comme pour la lumière visible, plus une surface est polie, plus elle réfléchit l'énergie du rayonnement IR. L'état de surface influence donc également le facteur d'émission. Pour la mesure de la température, cela est particulièrement important pour les objets qui sont opaques aux IR et qui ont un faible facteur d'émission. Un objet en acier inoxydable poli a un facteur d'émission beaucoup plus faible que le même objet avec une surface rugueuse. Après l'usinage, par exemple après le tournage, l'objet rugueux présente de nombreuses petites rainures et irrégularités qui réduisent considérablement la réflectivité de la pièce.
Il découle du principe de conservation de l'énergie que la somme des coefficients de l'énergie IR transmise, réfléchie et émise (absorbée) doit être égale à 1.
σλ + αλ + τλ = 1
De plus, il est vrai que le facteur d'émission est égal au facteur d'absorption :
ελ = αλ
Donc :
ελ = 1 - σλ+ τλ
Il découle du principe de conservation de l'énergie que la somme des coefficients de l'énergie IR transmise, réfléchie et émise (absorbée) doit être égale à 1.
σλ + αλ + τλ = 1
De plus, il est vrai que le facteur d'émission est égal au facteur d'absorption :
ελ = αλ
Donc :
ελ = 1 - σλ+ τλ
Fig. 4 Comparaison des corps noirs, des corps gris et des émetteurs colorés
Ce coefficient peut être utilisé dans l'équation de Planck comme variable décrivant les propriétés d'une surface par rapport à la longueur d'onde. Pour les objets opaques, l'équation peut être simplifiée comme suit :
ελ = 1 - σλ
Les objets qui ne réfléchissent pas le rayonnement infrarouge et qui ne le laissent pas passer sont appelés corps noirs. On ne connaît pas de corps noir naturel. Pour la théorie et pour le calcul d'autres objets, un corps noir a un facteur d'émission de 1,0. En pratique, la meilleure approximation d'un véritable corps noir est obtenue par une sphère opaque aux IR avec une petite ouverture d'entrée cylindrique. La surface intérieure d'un tel objet a un facteur d'émission de 0,998.
Le facteur d'émission est une mesure du rapport entre les rayonnements thermiques émis par un corps gris et un corps noir à la même température. On appelle corps gris un objet qui possède le même facteur d'émission à toutes les longueurs d'onde et qui émet moins de rayonnement infrarouge qu'un corps noir. Un émetteur coloré est un objet dont le facteur d'émission varie avec la longueur d'onde, comme c'est le cas pour les métaux.
ελ = 1 - σλ
Les objets qui ne réfléchissent pas le rayonnement infrarouge et qui ne le laissent pas passer sont appelés corps noirs. On ne connaît pas de corps noir naturel. Pour la théorie et pour le calcul d'autres objets, un corps noir a un facteur d'émission de 1,0. En pratique, la meilleure approximation d'un véritable corps noir est obtenue par une sphère opaque aux IR avec une petite ouverture d'entrée cylindrique. La surface intérieure d'un tel objet a un facteur d'émission de 0,998.
Le facteur d'émission est une mesure du rapport entre les rayonnements thermiques émis par un corps gris et un corps noir à la même température. On appelle corps gris un objet qui possède le même facteur d'émission à toutes les longueurs d'onde et qui émet moins de rayonnement infrarouge qu'un corps noir. Un émetteur coloré est un objet dont le facteur d'émission varie avec la longueur d'onde, comme c'est le cas pour les métaux.
Des matériaux différents ont également des facteurs d'émission différents et émettent donc un rayonnement IR d'intensité différente à une température donnée. Celle-ci n'est généralement pas fonction de la couleur, à moins que le matériau de la couleur ne présente une différence nette avec le matériau de l'objet. Un exemple de cas où cela s'applique est la peinture à effet métallique, qui contient de grandes quantités de particules d'aluminium. La plupart des couleurs ont le même facteur d'émission, indépendant de la teinte. L'aluminium, en revanche, a un facteur d'émission très différent si bien que le facteur d'émission est également différent pour la peinture à effet métallique.
Outre la composition et la structure de surface d'un objet, un troisième facteur a un impact indirect sur le facteur d'émission : la plage spectrale du capteur. Il n'a pas d'influence directe sur l'objet, mais sur la manière dont le capteur perçoit le spectre émis par l'objet.
Les matériaux qui sont partiellement transparents, comme le verre, les plastiques ou le silicone, doivent être mesurés dans une zone en combinaison avec les filtres sélectifs correspondants.
Outre la composition et la structure de surface d'un objet, un troisième facteur a un impact indirect sur le facteur d'émission : la plage spectrale du capteur. Il n'a pas d'influence directe sur l'objet, mais sur la manière dont le capteur perçoit le spectre émis par l'objet.
Les matériaux qui sont partiellement transparents, comme le verre, les plastiques ou le silicone, doivent être mesurés dans une zone en combinaison avec les filtres sélectifs correspondants.
Fig. 5 Facteur d'émission de différents matériaux en fonction de la longueur d'onde
Les paragraphes précédents ont clairement montré que le facteur d'émission est un paramètre particulièrement important de la mesure de la température par infrarouge. Tant que le facteur d'émission de l'objet mesuré n'est pas connu avec précision et pris en compte dans la mesure, il reste très improbable que les valeurs mesurées obtenues soient exactes. Il existe essentiellement deux possibilités pour déterminer le facteur d'émission. Le facteur d'émission peut soit être extrait de tableaux, soit être déterminé par une mesure comparative. Toutefois, comme les données des tableaux ont généralement été déterminées dans des conditions de laboratoire idéalisées, les influences environnementales, qui provoquent un écart énorme, notamment pour les facteurs faibles, ne sont pas prises en compte. De même, les tableaux n'indiquent pas la température de mesure et la longueur d'onde de mesure sur lesquelles ils se basent. Comme première approximation, la valeur du tableau est certainement très utile. La mesure comparative consiste à mesurer l'objet de la mesure à l'aide d'un thermocouple ou d'une autre sonde de température, puis à régler le facteur d'émission sur le thermomètre infrarouge de manière à ce qu'il affiche la même température. En règle générale, on peut dire que la plupart des matériaux opaques non métalliques ont un facteur d'émission élevé et relativement stable, compris entre 0,85 et 0,95. Pour la plupart des matériaux métalliques non oxydés, le facteur d'émission se situe dans une fourchette de 0,2 à 0,5, à l'exception de l'or, de l'argent et de l'aluminium, qui ont un facteur d'émission faible. Par conséquent, la température de ces métaux est difficile à mesurer avec des thermomètres infrarouges, car la part de réflexion du rayonnement ambiant est de l'ordre de grandeur ou supérieure au rayonnement de l'objet.
Alors qu'il est presque toujours possible de déterminer le facteur d'émission du matériau, des problèmes surviennent lorsque le matériau n'a pas un facteur d'émission constant, mais que celui-ci varie avec la température. C'est le cas de la plupart des métaux, mais aussi de certains autres matériaux, comme le silicium ou les céramiques monocristallines de grande pureté. Ici, la mesure comparative et le réglage devraient être effectués à la température décisive pour le processus.
Les équations et formules sur lesquelles repose la mesure de la température sont connues et éprouvées depuis longtemps. Il est peu probable que l'utilisateur doive utiliser les formules dans son travail quotidien avec des thermomètres IR. La connaissance de ces bases permet toutefois de mieux comprendre comment certaines variables et autres paramètres s'influencent mutuellement. Les formules les plus importantes sont résumées ci-dessous :
1. Loi de Kirchhoff sur le rayonnement
Pour une température T et une longueur d'onde l données, l'émissivité e est égale à l'absorptance
e = α
Il s'ensuit que le flux de rayonnement øλ d'un objet réel est égal à celui d'un corps noir øs à la même température multiplié par l'émissivité de l'objet est
øλ = ε * øs
2. Loi de Stefan Boltzmann
Plus la température T d'un objet est élevée, plus la puissance de rayonnement P émise est importante pour une émissivité ε donnée et une surface rayonnante A (k = constante)
P = k*ε*A*T4
3. Loi du déplacement de Wien
La longueur d'onde à laquelle se situe le maximum du rayonnement énergétique se déplace vers les ondes courtes lorsque la température augmente.
λmax = 2,89 * 103 μmK/T
4. Équation de Planck
Cette équation décrit la relation entre la longueur d'onde, la température T et la puissance de rayonnement.
Alors qu'il est presque toujours possible de déterminer le facteur d'émission du matériau, des problèmes surviennent lorsque le matériau n'a pas un facteur d'émission constant, mais que celui-ci varie avec la température. C'est le cas de la plupart des métaux, mais aussi de certains autres matériaux, comme le silicium ou les céramiques monocristallines de grande pureté. Ici, la mesure comparative et le réglage devraient être effectués à la température décisive pour le processus.
Les équations et formules sur lesquelles repose la mesure de la température sont connues et éprouvées depuis longtemps. Il est peu probable que l'utilisateur doive utiliser les formules dans son travail quotidien avec des thermomètres IR. La connaissance de ces bases permet toutefois de mieux comprendre comment certaines variables et autres paramètres s'influencent mutuellement. Les formules les plus importantes sont résumées ci-dessous :
1. Loi de Kirchhoff sur le rayonnement
Pour une température T et une longueur d'onde l données, l'émissivité e est égale à l'absorptance
e = α
Il s'ensuit que le flux de rayonnement øλ d'un objet réel est égal à celui d'un corps noir øs à la même température multiplié par l'émissivité de l'objet est
øλ = ε * øs
2. Loi de Stefan Boltzmann
Plus la température T d'un objet est élevée, plus la puissance de rayonnement P émise est importante pour une émissivité ε donnée et une surface rayonnante A (k = constante)
P = k*ε*A*T4
3. Loi du déplacement de Wien
La longueur d'onde à laquelle se situe le maximum du rayonnement énergétique se déplace vers les ondes courtes lorsque la température augmente.
λmax = 2,89 * 103 μmK/T
4. Équation de Planck
Cette équation décrit la relation entre la longueur d'onde, la température T et la puissance de rayonnement.

Conception de thermomètres infrarouges
Un thermomètre infrarouge se compose en principe des blocs fonctionnels suivants :
1. Une lentille qui concentre l'énergie émise par l'objet.
2. Un détecteur qui convertit l'énergie du rayonnement en un signal électrique.
3. Un réglage du facteur d'émission pour adapter le thermomètre aux caractéristiques de l'objet de la mesure.
4. une compensation de la température ambiante qui empêche la température du thermomètre d'entrer dans le signal de sortie.
Pendant de nombreuses années, la plupart des thermomètres infrarouges disponibles dans le commerce ont suivi ce concept. Ils étaient limités dans leurs possibilités d'utilisation et, rétrospectivement, n'offraient pas de résultats de mesure satisfaisants. Mais selon les critères de l'époque, ils étaient tout à fait adéquats et très robustes.
1. Une lentille qui concentre l'énergie émise par l'objet.
2. Un détecteur qui convertit l'énergie du rayonnement en un signal électrique.
3. Un réglage du facteur d'émission pour adapter le thermomètre aux caractéristiques de l'objet de la mesure.
4. une compensation de la température ambiante qui empêche la température du thermomètre d'entrer dans le signal de sortie.
Pendant de nombreuses années, la plupart des thermomètres infrarouges disponibles dans le commerce ont suivi ce concept. Ils étaient limités dans leurs possibilités d'utilisation et, rétrospectivement, n'offraient pas de résultats de mesure satisfaisants. Mais selon les critères de l'époque, ils étaient tout à fait adéquats et très robustes.
Fig. 6 Schéma fonctionnel d'un thermomètre infrarouge
Les thermomètres IR modernes sont basés sur ce concept de base, mais ont été considérablement affinés au fil du temps. Les principales différences sont l'utilisation d'un grand nombre de types de détecteurs différents, le filtrage sélectif du signal IR, la linéarisation et l'amplification du signal du détecteur ainsi que des signaux de sortie de température standardisés tels que 4-20 mA ou 0-10 V DC. La figure 6 montre un schéma fonctionnel d'un pyromètre à lumière continue infrarouge moderne.
Le progrès le plus important dans la mesure de la température IR a probablement été réalisé avec l'introduction de filtres sélectifs pour le rayonnement IR. Cela a permis d'utiliser des détecteurs plus sensibles et des amplificateurs de signaux plus stables. Alors que les premiers thermomètres infrarouges dépendaient d'un large spectre IR pour obtenir un signal de sortie de détecteur utilisable, les détecteurs modernes se contentent d'une largeur de bande, parfois à partir de 1 μm. La nécessité de réduire le spectre et de sélectionner certaines longueurs d'onde s'explique par le fait qu'il faut souvent mesurer à travers un milieu dont la température ne doit pas être prise en compte dans la mesure en raison de sa teneur en carbone ou en hydrogène. En outre, il est parfois nécessaire de mesurer la température d'objets ou de gaz qui sont transparents sur une large plage du spectre IR. Voici quelques exemples de limitation sélective du spectre :
- 8 - 14 μm : les influences de l'humidité de l'air sont également exclues sur de grandes distances.
- 7,9 μm : permet de mesurer des films plastiques minces qui laissent passer les IR sur de larges zones.
- 3,86 μm : les interférences avec le CO2 et la vapeur d'eau dans les flammes et les gaz de combustion sont efficacement supprimées.
Le progrès le plus important dans la mesure de la température IR a probablement été réalisé avec l'introduction de filtres sélectifs pour le rayonnement IR. Cela a permis d'utiliser des détecteurs plus sensibles et des amplificateurs de signaux plus stables. Alors que les premiers thermomètres infrarouges dépendaient d'un large spectre IR pour obtenir un signal de sortie de détecteur utilisable, les détecteurs modernes se contentent d'une largeur de bande, parfois à partir de 1 μm. La nécessité de réduire le spectre et de sélectionner certaines longueurs d'onde s'explique par le fait qu'il faut souvent mesurer à travers un milieu dont la température ne doit pas être prise en compte dans la mesure en raison de sa teneur en carbone ou en hydrogène. En outre, il est parfois nécessaire de mesurer la température d'objets ou de gaz qui sont transparents sur une large plage du spectre IR. Voici quelques exemples de limitation sélective du spectre :
- 8 - 14 μm : les influences de l'humidité de l'air sont également exclues sur de grandes distances.
- 7,9 μm : permet de mesurer des films plastiques minces qui laissent passer les IR sur de larges zones.
- 3,86 μm : les interférences avec le CO2 et la vapeur d'eau dans les flammes et les gaz de combustion sont efficacement supprimées.
La plage de température joue un rôle important dans le choix de la longueur d'onde la mieux adaptée à la mesure. Il résulte de l'équation de Planck, comme le montre la figure 2 pour un corps noir, que le maximum de la courbe de rayonnement se déplace vers la zone des ondes courtes lorsque la température augmente. Même dans les applications où un choix sélectif d'une plage spectrale n'est pas nécessaire en soi, il peut être avantageux de restreindre la plage spectrale à une section restreinte aussi courte que possible. L'un des avantages réside dans le fait que le facteur d'émission effectif de nombreux objets est le plus élevé, en particulier pour les métaux avec des longueurs d'onde plus courtes. De plus, cette limitation a un effet positif sur la précision, car les capteurs avec une plage spectrale restreinte sont moins influencés par les modifications du facteur d'émission de l'objet de la mesure, comme on peut le voir sur la figure 7.
Fig. 7 Dépendance de l'émissivité mal réglée pour différentes longueurs d'onde
Structure et conception
Les thermomètres infrarouges sont fabriqués dans une grande variété de configurations qui diffèrent en termes de systèmes optique et électronique, de technologie, de taille et de carter. La chaîne de traitement des signaux est toutefois commune, avec un signal IR au début et un signal de sortie électronique à la fin. Cette chaîne de mesure générale commence par un système optique composé de lentilles et/ou de câbles en fibre optique, de filtres et du détecteur.
En termes d’applications techniques, le champ de vision est la caractéristique essentielle du système optique, ce qui correspond à la taille du spot de mesure à une distance donnée. Le rapport entre la distance de mesure et le diamètre du spot de mesure est décrit par le rapport de distance. Dans la pratique, il est possible de choisir entre des pyromètres à distance focale fixe et des pyromètres à lentille focalisable. Les appareils dotés de lentilles fixes ne donnent une image nette de l'objet qu'au point focal. Pour d'autres distances de mesure, le diamètre du spot de mesure augmente de manière disproportionnée comparativement au rapport de distance calculé. De telles lentilles conviennent en priorité aux objets de grande surface. Pour les petits objets ou les grandes distances de mesure, il est plutôt recommandé d'utiliser des lentilles focalisables. Grâce à la possibilité de régler la distance de mesure, les pyromètres à lentille focalisable peuvent être utilisés de manière beaucoup plus flexible.
Lors de l'indication et de la comparaison du diamètre du spot de mesure, il est important de savoir à quel pourcentage de la puissance de rayonnement l'indication se réfère. Par exemple, un spot de mesure rapporté à 98 % de l'énergie est deux fois plus grand qu'un diamètre rapporté à 90 % de la puissance. Ceci peut entraîner des erreurs de mesure considérables, en particulier pour les petits objets de l'ordre de grandeur du spot de mesure pyrométrique.
Un autre aspect du système optique est la visée de l'objet de la mesure. Sur les appareils sans aide à la visée, la lentille est orientée de manière fixe par rapport à la surface et mesure la température de surface. C'est surtout le cas pour les capteurs fixes qui sont orientés vers des objets suffisamment grands et pour lesquels une mesure précise n'est pas nécessaire. Pour les petits objets ou les appareils qui mesurent à de grandes distances, un dispositif de visée sous la forme d'une visée optique, d'un point lumineux ou d'un rayon laser est indispensable.
La sensibilité du pyromètre est déterminée par l'utilisation d'une série de détecteurs et de filtres différents. Comme le montre la figure 8, les détecteurs au sulfure de plomb offrent la sensibilité la plus élevée et les thermopiles la plus faible. La plupart des détecteurs fonctionnent soit selon le principe photoélectrique (le rayonnement IR incident provoque un signal de tension), soit sur la base de la photoconductivité (le rayonnement IR incident modifie la résistance).
En raison de la faible énergie de rayonnement, des plages spectrales à large bande sont nécessaires en conséquence à des températures basses et donc à des longueurs d'onde de mesure plus longues. À des températures plus élevées, la sensibilité est fortement réduite par des filtres à bande étroite. Cela permet de minimiser les influences perturbatrices dépendant de la longueur d'onde.
En termes d’applications techniques, le champ de vision est la caractéristique essentielle du système optique, ce qui correspond à la taille du spot de mesure à une distance donnée. Le rapport entre la distance de mesure et le diamètre du spot de mesure est décrit par le rapport de distance. Dans la pratique, il est possible de choisir entre des pyromètres à distance focale fixe et des pyromètres à lentille focalisable. Les appareils dotés de lentilles fixes ne donnent une image nette de l'objet qu'au point focal. Pour d'autres distances de mesure, le diamètre du spot de mesure augmente de manière disproportionnée comparativement au rapport de distance calculé. De telles lentilles conviennent en priorité aux objets de grande surface. Pour les petits objets ou les grandes distances de mesure, il est plutôt recommandé d'utiliser des lentilles focalisables. Grâce à la possibilité de régler la distance de mesure, les pyromètres à lentille focalisable peuvent être utilisés de manière beaucoup plus flexible.
Lors de l'indication et de la comparaison du diamètre du spot de mesure, il est important de savoir à quel pourcentage de la puissance de rayonnement l'indication se réfère. Par exemple, un spot de mesure rapporté à 98 % de l'énergie est deux fois plus grand qu'un diamètre rapporté à 90 % de la puissance. Ceci peut entraîner des erreurs de mesure considérables, en particulier pour les petits objets de l'ordre de grandeur du spot de mesure pyrométrique.
Un autre aspect du système optique est la visée de l'objet de la mesure. Sur les appareils sans aide à la visée, la lentille est orientée de manière fixe par rapport à la surface et mesure la température de surface. C'est surtout le cas pour les capteurs fixes qui sont orientés vers des objets suffisamment grands et pour lesquels une mesure précise n'est pas nécessaire. Pour les petits objets ou les appareils qui mesurent à de grandes distances, un dispositif de visée sous la forme d'une visée optique, d'un point lumineux ou d'un rayon laser est indispensable.
La sensibilité du pyromètre est déterminée par l'utilisation d'une série de détecteurs et de filtres différents. Comme le montre la figure 8, les détecteurs au sulfure de plomb offrent la sensibilité la plus élevée et les thermopiles la plus faible. La plupart des détecteurs fonctionnent soit selon le principe photoélectrique (le rayonnement IR incident provoque un signal de tension), soit sur la base de la photoconductivité (le rayonnement IR incident modifie la résistance).
En raison de la faible énergie de rayonnement, des plages spectrales à large bande sont nécessaires en conséquence à des températures basses et donc à des longueurs d'onde de mesure plus longues. À des températures plus élevées, la sensibilité est fortement réduite par des filtres à bande étroite. Cela permet de minimiser les influences perturbatrices dépendant de la longueur d'onde.
Pour optimiser la réponse des systèmes de capteurs IR, il faut tenir compte de la courbe spectrale du détecteur ainsi que de ses caractéristiques.
Le système électronique du thermomètre infrarouge linéarise le signal de sortie du détecteur pour produire au final un signal linéaire de courant 0 (4) - 20 mA ou de tension 0(2)-10 V. La linéarisation est souvent effectuée par logiciel via un microprocesseur.
Ceci permet d'obtenir une plus grande précision pour des plages de mesure plus grandes par rapport à la linéarisation analogique.
Le signal peut également être numérisé et envoyé à une interface ou à un régulateur, un indicateur ou un enregistreur. Comme fonctions supplémentaires, les thermomètres IR disposent, selon leur équipement, d'alarmes, de mémoires min/max réglables pour les mesures intermittentes, d'intervalles de mesure et de temps de réponse réglables ainsi que de fonctions d'échantillonnage et de maintien.
Comme nous l'avons mentionné au début, l'avantage de la mesure de température sans contact réside dans son temps de réponse court. Les détecteurs thermoélectriques pour les appareils à basse température atteignent des temps de réponse de 30 ms. Les détecteurs photoélectriques à haute température ont des temps de réponse de 2 ms.
Si un capteur avec des temps de réponse rapides est utilisé dans une application, les autres composants de la boucle de régulation doivent également permettre des vitesses de traitement ou de réglage correspondantes.
Le système électronique du thermomètre infrarouge linéarise le signal de sortie du détecteur pour produire au final un signal linéaire de courant 0 (4) - 20 mA ou de tension 0(2)-10 V. La linéarisation est souvent effectuée par logiciel via un microprocesseur.
Ceci permet d'obtenir une plus grande précision pour des plages de mesure plus grandes par rapport à la linéarisation analogique.
Le signal peut également être numérisé et envoyé à une interface ou à un régulateur, un indicateur ou un enregistreur. Comme fonctions supplémentaires, les thermomètres IR disposent, selon leur équipement, d'alarmes, de mémoires min/max réglables pour les mesures intermittentes, d'intervalles de mesure et de temps de réponse réglables ainsi que de fonctions d'échantillonnage et de maintien.
Comme nous l'avons mentionné au début, l'avantage de la mesure de température sans contact réside dans son temps de réponse court. Les détecteurs thermoélectriques pour les appareils à basse température atteignent des temps de réponse de 30 ms. Les détecteurs photoélectriques à haute température ont des temps de réponse de 2 ms.
Si un capteur avec des temps de réponse rapides est utilisé dans une application, les autres composants de la boucle de régulation doivent également permettre des vitesses de traitement ou de réglage correspondantes.
Fig. 8 Courbe spectrale de différents capteurs
Mesure monochromatique : mesure de la température à une seule longueur d'onde
La mesure de la température à une longueur d'onde consiste à mesurer l'énergie émise par une surface à une longueur d'onde donnée. Les modèles de construction de ces appareils vont des sondes portables avec un simple affichage externe aux instruments portables sophistiqués dans lesquels la température est affichée dans une fenêtre de visualisation à travers laquelle l'objet est visé. En outre, des fonctions de sauvegarde et d'impression sont disponibles. La gamme de capteurs fixes en ligne s'étend des petits détecteurs simples avec un système électronique externe aux modules robustes et complexes avec un régulateur PID intégré. Le câble en fibre optique, la visée optique, la visée laser, le refroidissement par eau et les systèmes de balayage sont autant d'options utilisées dans la surveillance et la régulation des processus. Depuis peu, on propose même des pyromètres avec caméra vidéo intégrée, ce qui permet, en plus de la mesure, un contrôle visuel du point de mesure depuis la salle de commande. Il existe de grandes différences en termes de taille, de performance, de robustesse, de flexibilité et de traitement des signaux.
Lors de l'étude et de la conception d'applications, la configuration des capteurs, les filtres, la plage de température, les lentilles, le temps de réponse et le facteur d'émission sont des critères importants qui doivent être pris en compte en détail.
Le choix de la plage spectrale IR et de la plage de température doit toujours être considéré en relation avec l'application spécifique. Les courbes spectrales présentées dans la figure 2 montrent que les courtes longueurs d'onde conviennent mieux aux hautes températures, tandis que les basses températures doivent plutôt être mesurées dans la gamme des ondes plus longues. Lorsqu'il s'agit de mesurer des objets transparents, comme du verre ou des films plastiques, un filtre sélectif à bande étroite est nécessaire. Ainsi, le film de polyéthylène a une zone d'absorption CH de 3,43 μm, à laquelle il est opaque aux rayonnements IR. Par analogie, de nombreux matériaux vitreux possèdent une zone opaque à environ 5 μm. Inversement, un capteur avec un filtre dans la plage allant jusqu'à 2 μm permet une mesure à travers une fenêtre en verre, par exemple pour les chambres à vide ou à pression. Une autre option pour la mesure dans les chambres en cas de points de mesure étroits ou de températures ambiantes élevées consiste à utiliser des câbles en fibre optique.
La mesure de température IR à une longueur d'onde est donc une technologie polyvalente mais simple, suffisante dans de nombreuses applications où le contrôle de la température du produit est essentiel pour garantir une qualité constante du produit.
Lors de l'étude et de la conception d'applications, la configuration des capteurs, les filtres, la plage de température, les lentilles, le temps de réponse et le facteur d'émission sont des critères importants qui doivent être pris en compte en détail.
Le choix de la plage spectrale IR et de la plage de température doit toujours être considéré en relation avec l'application spécifique. Les courbes spectrales présentées dans la figure 2 montrent que les courtes longueurs d'onde conviennent mieux aux hautes températures, tandis que les basses températures doivent plutôt être mesurées dans la gamme des ondes plus longues. Lorsqu'il s'agit de mesurer des objets transparents, comme du verre ou des films plastiques, un filtre sélectif à bande étroite est nécessaire. Ainsi, le film de polyéthylène a une zone d'absorption CH de 3,43 μm, à laquelle il est opaque aux rayonnements IR. Par analogie, de nombreux matériaux vitreux possèdent une zone opaque à environ 5 μm. Inversement, un capteur avec un filtre dans la plage allant jusqu'à 2 μm permet une mesure à travers une fenêtre en verre, par exemple pour les chambres à vide ou à pression. Une autre option pour la mesure dans les chambres en cas de points de mesure étroits ou de températures ambiantes élevées consiste à utiliser des câbles en fibre optique.
La mesure de température IR à une longueur d'onde est donc une technologie polyvalente mais simple, suffisante dans de nombreuses applications où le contrôle de la température du produit est essentiel pour garantir une qualité constante du produit.
Mesure de rapport : mesure de la température à deux ou plusieurs longueurs d'onde
Étant donné que le facteur d'émission joue un rôle essentiel dans la mesure précise de la température à l'aide de thermomètres infrarouges ou que des milieux intermédiaires se trouvent sur le trajet des rayons, il n'est pas surprenant que les chercheurs s'efforcent de développer des capteurs capables de mesurer la température indépendamment de ces influences perturbatrices. Une approche répandue et éprouvée à cet effet est la mesure du rapport ou la mesure polychromatique. Cette méthode mesure le rapport entre l'énergie à deux longueurs d'onde différentes au lieu de la valeur absolue de l'énergie d'une longueur d'onde. Le mot "mesure polychromatique" provient de l'ancienne idée d'associer les couleurs visibles à la température. Cette notion, et donc cette appellation, est aujourd'hui quelque peu dépassée, mais elle est toujours d'usage.
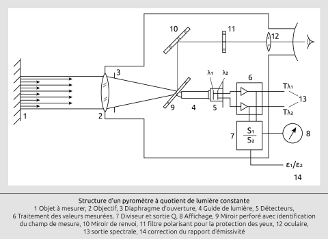
L'efficacité de ce concept repose sur le fait que les changements dans les propriétés de la surface de l'objet de la mesure ou les obstacles qui se trouvent dans le cône de vision de l'objet sont perçus de la même manière par les deux détecteurs. Par conséquent, le rapport entre les signaux de sortie du capteur reste le même, et donc la température mesurée aussi. La figure 9 montre la représentation simplifiée d'un pyromètre fonctionnant selon ce principe.
L'efficacité de ce concept repose sur le fait que les changements dans les propriétés de la surface de l'objet de la mesure ou les obstacles qui se trouvent dans le cône de vision de l'objet sont perçus de la même manière par les deux détecteurs. Par conséquent, le rapport entre les signaux de sortie du capteur reste le même, et donc la température mesurée aussi. La figure 9 montre la représentation simplifiée d'un pyromètre fonctionnant selon ce principe.
Fig. 9 Mesure du rapport
Dans les conditions décrites ci-dessus, la mesure du rapport plutôt que de la valeur absolue permet d'éviter les imprécisions dues à un facteur d'émission inconnu ou changeant. La mesure de la température est correcte même si une partie du champ de vision est obstruée par des matériaux plus froids, comme de la poussière, de la vapeur, des supports ou des fenêtres.
Tant que le milieu entre l'objet et le capteur n'atténue pas sélectivement une longueur d'onde spécifique, le rapport reste constant et, de même, la température mesurée par le thermomètre.
Ainsi, ce procédé convient à des applications qui ne seraient pas ou difficilement résolues par d'autres techniques de mesure, par exemple la mesure de la température dans les fours à ciment ou la mesure à travers une fenêtre qui s'embue au cours du processus, comme c'est le cas pour la fusion sous vide des métaux. Il faut toutefois noter que ces modifications dynamiques doivent être perçues de la même manière par les deux capteurs, c'est-à-dire que les modifications doivent affecter toutes les longueurs d'onde de la même manière.
Bien sûr, cette méthode a aussi des limites qu'il faut respecter. La mesure du rapport ne convient pas aux émetteurs colorés, comme l'aluminium. De même, il ne peut pas être utilisé pour mesurer à travers des fenêtres dont la transmission change ou du Pyrex chaud. De plus, cette méthode a tendance à enregistrer et à mesurer la température de l'arrière-plan si celle-ci est supérieure à la température de l'objet de la mesure.
Tant que le milieu entre l'objet et le capteur n'atténue pas sélectivement une longueur d'onde spécifique, le rapport reste constant et, de même, la température mesurée par le thermomètre.
Ainsi, ce procédé convient à des applications qui ne seraient pas ou difficilement résolues par d'autres techniques de mesure, par exemple la mesure de la température dans les fours à ciment ou la mesure à travers une fenêtre qui s'embue au cours du processus, comme c'est le cas pour la fusion sous vide des métaux. Il faut toutefois noter que ces modifications dynamiques doivent être perçues de la même manière par les deux capteurs, c'est-à-dire que les modifications doivent affecter toutes les longueurs d'onde de la même manière.
Bien sûr, cette méthode a aussi des limites qu'il faut respecter. La mesure du rapport ne convient pas aux émetteurs colorés, comme l'aluminium. De même, il ne peut pas être utilisé pour mesurer à travers des fenêtres dont la transmission change ou du Pyrex chaud. De plus, cette méthode a tendance à enregistrer et à mesurer la température de l'arrière-plan si celle-ci est supérieure à la température de l'objet de la mesure.
La figure 10 montre un exemple de différents produits dont le facteur d'émission varie en fonction de la température. Le graphite, par exemple, est souvent considéré spontanément comme ayant un facteur d'émission élevé et constant. Le contraire est vrai : le facteur d'émission passe de 0,4 à 0,65 sur une plage de 20°C à 1 100°C.
Pour les émetteurs colorés, dont le facteur d'émission varie avec la longueur d'onde, il existe des thermomètres polychromatiques qui mesurent l'énergie de toute une série de longueurs d'onde. De telles applications sont précédées d'une analyse approfondie des propriétés de la surface du produit concerné. Ainsi, la relation entre le facteur d'émission, la température, la longueur d'onde et la chimie de surface doit être étudiée. Ces données permettent de créer des algorithmes qui établissent une relation pertinente entre le rayonnement sur différentes longueurs d'onde et la température.
Si un milieu dont la taille des particules correspond à l'une des longueurs d'onde utilisées pour la mesure se trouve dans le champ de vision, le rapport est également faussé.
Malgré ces limites, la mesure du rapport fonctionne extrêmement bien dans toute une série d'applications. Dans certaines applications, cette méthode représente la meilleure, voire la seule, solution raisonnable pour mesurer la température.
Pour les émetteurs colorés, dont le facteur d'émission varie avec la longueur d'onde, il existe des thermomètres polychromatiques qui mesurent l'énergie de toute une série de longueurs d'onde. De telles applications sont précédées d'une analyse approfondie des propriétés de la surface du produit concerné. Ainsi, la relation entre le facteur d'émission, la température, la longueur d'onde et la chimie de surface doit être étudiée. Ces données permettent de créer des algorithmes qui établissent une relation pertinente entre le rayonnement sur différentes longueurs d'onde et la température.
Si un milieu dont la taille des particules correspond à l'une des longueurs d'onde utilisées pour la mesure se trouve dans le champ de vision, le rapport est également faussé.
Malgré ces limites, la mesure du rapport fonctionne extrêmement bien dans toute une série d'applications. Dans certaines applications, cette méthode représente la meilleure, voire la seule, solution raisonnable pour mesurer la température.
Fig. 10 Pour de nombreux matériaux, le facteur d'émission varie en fonction de la température. Cette illustration montre quelques matériaux courants.
Résumé
L'illustration 11 montre encore une fois les éléments essentiels d'une application. L'aspect le plus important est la surface de l'objet de la mesure. Pour choisir l'instrument approprié, il faut tenir compte de la taille de l'objet de la mesure, de la plage de température, du facteur d'émission, de la sensibilité spectrale et du temps de réponse.
En outre, pour choisir l'appareil le mieux adapté, il faut également prendre en compte les conditions ambiantes, par exemple la présence de flammes, de radiateurs IR, de fours à induction, ainsi que de la nature de l'atmosphère (poussière, fenêtres encrassées, fumée, chaleur, etc.).
En outre, pour choisir l'appareil le mieux adapté, il faut également prendre en compte les conditions ambiantes, par exemple la présence de flammes, de radiateurs IR, de fours à induction, ainsi que de la nature de l'atmosphère (poussière, fenêtres encrassées, fumée, chaleur, etc.).
Fig. 11 Influences perturbatrices
La thermométrie infrarouge est une technologie mature qui est continuellement optimisée et adaptée à d'autres nouvelles applications. Elle fait quotidiennement ses preuves dans les secteurs industriels les plus divers, tout comme dans la recherche. Si la technologie sur laquelle elle repose est bien comprise et que tous les paramètres d'application pertinents sont pris en compte, cette méthode de mesure donne généralement les résultats escomptés, à condition que l'instrument ait été installé avec soin. Dans ce contexte, "soigneusement" signifie que le capteur est utilisé dans le cadre de ses spécifications et que des précautions suffisantes ont été prises pour que la lentille reste propre et sans dépôts.
L'un des critères de sélection d'un fabricant de thermomètres devrait donc être sa disponibilité à fournir des accessoires de protection et d'installation. Il faut également considérer dans quelle mesure cet accessoire permet un démontage rapide et, si nécessaire, un remplacement du capteur. Si ces directives sont respectées, les thermomètres infrarouges modernes.
L'un des critères de sélection d'un fabricant de thermomètres devrait donc être sa disponibilité à fournir des accessoires de protection et d'installation. Il faut également considérer dans quelle mesure cet accessoire permet un démontage rapide et, si nécessaire, un remplacement du capteur. Si ces directives sont respectées, les thermomètres infrarouges modernes.














