Đo nhiệt độ có thể được chia thành hai loại: tiếp xúc và không tiếp xúc. Trong thực tế, các cặp nhiệt điện và cảm biến Pt 100 là những đại diện thường được sử dụng nhất của nhóm đầu tiên. Chúng phải chạm vào vật thể đo và về cơ bản đo nhiệt độ của chính chúng, bằng nhiệt độ đã cân bằng với vật thể. Điều này dẫn đến tốc độ phản hồi tương đối chậm. Các cảm biến hoạt động không tiếp xúc đo năng lượng hồng ngoại (IR) phát ra từ một vật thể, có thời gian phản hồi nhanh và thường được sử dụng để đo các vật thể chuyển động cũng như các vật thể nằm trong môi trường chân không hoặc vì lý do nào đó mà không thể tiếp cận được.
Nhiệt kế hồng ngoại hoặc pirometer là các cảm biến phát triển cao, đã được sử dụng rộng rãi trong nghiên cứu và công nghiệp. Bài viết này mô tả một cách dễ hiểu lý thuyết mà nguyên tắc đo này dựa trên và cách lý thuyết này có thể giúp xử lý các tham số đặc thù theo ứng dụng mà người dùng tiềm năng phải đối mặt.
Cơ bản về đo nhiệt độ hồng ngoại
Giới thiệu
Hình 1 Phổ điện từ
Lý thuyết và cơ sở
Tia hồng ngoại được phát hiện vào năm 1666 bởi Sir Isaac Newton khi ông chiếu ánh sáng mặt trời qua một lăng kính và phân tách thành các màu cầu vồng. Năm 1880, Sir William Herschel đã thực hiện bước tiếp theo bằng cách xác định năng lượng tương đối của từng màu. Ông cũng phát hiện ra năng lượng ngoài quang phổ nhìn thấy được. Vào đầu năm 1900, Planck, Stefan, Boltzmann, Wien và Kirchhoff đã định nghĩa thêm về các hoạt động của quang phổ điện từ và đưa ra dữ liệu định lượng và phương trình để mô tả năng lượng hồng ngoại.
Nhiệt kế hồng ngoại đo nhiệt độ bằng cách đo bức xạ hồng ngoại mà tất cả các vật liệu và vật thể có nhiệt độ cao hơn nhiệt độ không tuyệt đối (0° Kelvin) phát ra. Trong cấu trúc đơn giản nhất, một thấu kính tập trung năng lượng hồng ngoại vào bộ cảm biến, bộ cảm biến này chuyển đổi năng lượng thành tín hiệu điện. Sau khi bù đắp nhiệt độ môi trường, tín hiệu này có thể được hiển thị. Cấu hình này cho phép đo nhiệt độ từ một khoảng cách nhất định và không cần tiếp xúc với vật thể được đo. Do đó, nhiệt kế hồng ngoại thích hợp cho các tác vụ đo lường trong đó không thể sử dụng cặp nhiệt điện hoặc các cảm biến khác hoặc các cảm biến này cho kết quả không chính xác. Một số ví dụ điển hình là đo các vật thể chuyển động hoặc rất nhỏ, các bộ phận dẫn điện hoặc hóa chất mạnh, đo trong các trường điện từ mạnh, đo các vật thể trong môi trường chân không hoặc các môi trường kín khác, cũng như các ứng dụng yêu cầu thời gian phản hồi nhanh.
Các bản thiết kế đầu tiên cho nhiệt kế hồng ngoại đã xuất hiện từ thế kỷ 19. Một số ý tưởng đã được Charles A. Darling giới thiệu trong cuốn sách "Pyrometry" của ông, xuất bản năm 1911.
Phải đến năm 1930, công nghệ mới đủ sẵn sàng để đưa những ý tưởng này vào thực tế. Kể từ đó, các thiết bị này đã được phát triển liên tục, qua đó thu thập được nhiều kiến thức và kinh nghiệm ứng dụng. Ngày nay, khái niệm này đã trở thành phương pháp đo lường tiêu chuẩn và được sử dụng trong công nghiệp và nghiên cứu.
Nhiệt kế hồng ngoại đo nhiệt độ bằng cách đo bức xạ hồng ngoại mà tất cả các vật liệu và vật thể có nhiệt độ cao hơn nhiệt độ không tuyệt đối (0° Kelvin) phát ra. Trong cấu trúc đơn giản nhất, một thấu kính tập trung năng lượng hồng ngoại vào bộ cảm biến, bộ cảm biến này chuyển đổi năng lượng thành tín hiệu điện. Sau khi bù đắp nhiệt độ môi trường, tín hiệu này có thể được hiển thị. Cấu hình này cho phép đo nhiệt độ từ một khoảng cách nhất định và không cần tiếp xúc với vật thể được đo. Do đó, nhiệt kế hồng ngoại thích hợp cho các tác vụ đo lường trong đó không thể sử dụng cặp nhiệt điện hoặc các cảm biến khác hoặc các cảm biến này cho kết quả không chính xác. Một số ví dụ điển hình là đo các vật thể chuyển động hoặc rất nhỏ, các bộ phận dẫn điện hoặc hóa chất mạnh, đo trong các trường điện từ mạnh, đo các vật thể trong môi trường chân không hoặc các môi trường kín khác, cũng như các ứng dụng yêu cầu thời gian phản hồi nhanh.
Các bản thiết kế đầu tiên cho nhiệt kế hồng ngoại đã xuất hiện từ thế kỷ 19. Một số ý tưởng đã được Charles A. Darling giới thiệu trong cuốn sách "Pyrometry" của ông, xuất bản năm 1911.
Phải đến năm 1930, công nghệ mới đủ sẵn sàng để đưa những ý tưởng này vào thực tế. Kể từ đó, các thiết bị này đã được phát triển liên tục, qua đó thu thập được nhiều kiến thức và kinh nghiệm ứng dụng. Ngày nay, khái niệm này đã trở thành phương pháp đo lường tiêu chuẩn và được sử dụng trong công nghiệp và nghiên cứu.
Nguyên lý đo lường
Như đã đề cập, tất cả các vật thể có nhiệt độ trên 0°K đều phát ra năng lượng hồng ngoại. Bức xạ hồng ngoại là phần của quang phổ điện từ nằm giữa ánh sáng nhìn thấy và sóng radio. Độ dài sóng của bức xạ hồng ngoại dao động từ 0,7 µm đến 1000 µm, như thể hiện trong Hình 1. Tuy nhiên, trong thực tế, chỉ có các bước sóng từ 0,7 đến 20 µm trong dải tần số này là thích hợp để đo nhiệt độ. Hiện tại, không có máy dò nào đủ nhạy để đo lượng năng lượng nhỏ được phát ra ở bước sóng trên 20 µm. Năng lượng tăng tỷ lệ thuận với bậc bốn của nhiệt độ.
Đường cong (Hình 2) thể hiện năng lượng mà một vật thể đen phát ra trong dải nhiệt độ từ 700 K đến 1300 K. Như có thể thấy, phần lớn nằm ngoài dải nhìn thấy được. Mặc dù bức xạ hồng ngoại không thể nhìn thấy bằng mắt thường, nhưng sẽ hữu ích nếu tưởng tượng bức xạ này như ánh sáng nhìn thấy được để hiểu nguyên lý hoạt động và các vấn đề phát sinh trong các ứng dụng.
Trong nhiều khía cạnh, bức xạ hồng ngoại thực sự hoạt động giống như ánh sáng nhìn thấy được. Bức xạ hồng ngoại di chuyển theo đường thẳng từ nguồn bức xạ và có thể bị phản xạ hoặc hấp thụ bởi các vật thể trên đường đi của bức xạ. Hầu hết các vật thể không trong suốt đối với mắt người sẽ phản xạ một phần bức xạ hồng ngoại và hấp thụ một phần. Một phần năng lượng bị hấp thụ sẽ được phản xạ nội bộ và một phần sẽ được bức xạ trở lại. Điều này cũng áp dụng cho các vật thể trong suốt đối với mắt người, như thủy tinh, khí và màng nhựa mỏng trong suốt. Ngoài ra, một phần bức xạ cũng xuyên qua vật thể. Hình 3 minh họa các quá trình này. Tổng thể, các quá trình này góp phần tạo nên cái mà chúng ta gọi là hệ số phát xạ của một vật thể hoặc vật liệu.
Đường cong (Hình 2) thể hiện năng lượng mà một vật thể đen phát ra trong dải nhiệt độ từ 700 K đến 1300 K. Như có thể thấy, phần lớn nằm ngoài dải nhìn thấy được. Mặc dù bức xạ hồng ngoại không thể nhìn thấy bằng mắt thường, nhưng sẽ hữu ích nếu tưởng tượng bức xạ này như ánh sáng nhìn thấy được để hiểu nguyên lý hoạt động và các vấn đề phát sinh trong các ứng dụng.
Trong nhiều khía cạnh, bức xạ hồng ngoại thực sự hoạt động giống như ánh sáng nhìn thấy được. Bức xạ hồng ngoại di chuyển theo đường thẳng từ nguồn bức xạ và có thể bị phản xạ hoặc hấp thụ bởi các vật thể trên đường đi của bức xạ. Hầu hết các vật thể không trong suốt đối với mắt người sẽ phản xạ một phần bức xạ hồng ngoại và hấp thụ một phần. Một phần năng lượng bị hấp thụ sẽ được phản xạ nội bộ và một phần sẽ được bức xạ trở lại. Điều này cũng áp dụng cho các vật thể trong suốt đối với mắt người, như thủy tinh, khí và màng nhựa mỏng trong suốt. Ngoài ra, một phần bức xạ cũng xuyên qua vật thể. Hình 3 minh họa các quá trình này. Tổng thể, các quá trình này góp phần tạo nên cái mà chúng ta gọi là hệ số phát xạ của một vật thể hoặc vật liệu.
Hình 2 Đặc tính bức xạ của vật thể màu đen
Hình 3 Trao đổi nhiệt và bức xạ
Giống như ánh sáng nhìn thấy, đối với bức xạ hồng ngoại, bề mặt càng được đánh bóng thì càng phản xạ nhiều năng lượng. Do đó, tính chất bề mặt cũng ảnh hưởng đến hệ số phát xạ. Trong đo nhiệt độ, điều này đặc biệt quan trọng đối với các vật thể không truyền hồng ngoại và có hệ số phát xạ thấp. Một vật thể bằng thép không gỉ được đánh bóng có hệ số phát xạ nhỏ hơn đáng kể so với vật thể tương tự có bề mặt nhám. Vật thể nhám sau khi gia công bằng máy, ví dụ như sau khi tiện, có nhiều rãnh nhỏ và bề mặt không bằng phẳng, làm giảm đáng kể khả năng phản xạ của vật thể.
Theo định luật bảo toàn năng lượng, tổng các hệ số của năng lượng hồng ngoại xuyên qua, phản xạ và phát xạ (hấp thụ) phải bằng 1.
σλ + αλ + τλ = 1
Ngoài ra, hệ số phát xạ bằng hệ số hấp thụ:
ελ = αλ
áp dụng:
ελ = 1 - σλ+ τλ
Theo định luật bảo toàn năng lượng, tổng các hệ số của năng lượng hồng ngoại xuyên qua, phản xạ và phát xạ (hấp thụ) phải bằng 1.
σλ + αλ + τλ = 1
Ngoài ra, hệ số phát xạ bằng hệ số hấp thụ:
ελ = αλ
áp dụng:
ελ = 1 - σλ+ τλ
Hình 4 So sánh vật thể màu đen, màu xám và vật thể phát sáng nhiều màu
Hệ số này có thể được sử dụng trong phương trình Planck như một biến số mô tả các đặc tính của bề mặt so với bước sóng. Đối với các vật thể không thấm, phương trình có thể được đơn giản hóa như sau:
ελ = 1 - σλ
Các vật thể không phản xạ cũng không thấm bức xạ hồng ngoại được gọi là vật thể đen. Không có vật thể đen tự nhiên nào được biết đến. Đối với lý thuyết và tính toán các vật thể khác, vật thể đen có hệ số phát xạ là 1,0. Trong thực tế, cách tiếp cận tốt nhất đối với vật thể đen thực sự là sử dụng một quả cầu không truyền tia hồng ngoại với một lỗ vào hình trụ nhỏ. Bề mặt bên trong của một vật thể như vậy có hệ số phát xạ là 0,998.
Hệ số phát xạ là thước đo tỷ lệ bức xạ nhiệt mà một vật thể màu xám và một vật thể đen phát ra ở cùng nhiệt độ. Vật thể màu xám là vật thể có cùng hệ số phát xạ ở tất cả các bước sóng và phát ra ít bức xạ hồng ngoại hơn vật thể đen. Một vật thể phát xạ màu là vật thể có hệ số phát xạ thay đổi theo bước sóng, ví dụ như kim loại.
ελ = 1 - σλ
Các vật thể không phản xạ cũng không thấm bức xạ hồng ngoại được gọi là vật thể đen. Không có vật thể đen tự nhiên nào được biết đến. Đối với lý thuyết và tính toán các vật thể khác, vật thể đen có hệ số phát xạ là 1,0. Trong thực tế, cách tiếp cận tốt nhất đối với vật thể đen thực sự là sử dụng một quả cầu không truyền tia hồng ngoại với một lỗ vào hình trụ nhỏ. Bề mặt bên trong của một vật thể như vậy có hệ số phát xạ là 0,998.
Hệ số phát xạ là thước đo tỷ lệ bức xạ nhiệt mà một vật thể màu xám và một vật thể đen phát ra ở cùng nhiệt độ. Vật thể màu xám là vật thể có cùng hệ số phát xạ ở tất cả các bước sóng và phát ra ít bức xạ hồng ngoại hơn vật thể đen. Một vật thể phát xạ màu là vật thể có hệ số phát xạ thay đổi theo bước sóng, ví dụ như kim loại.
Các vật liệu khác nhau cũng có các hệ số phát xạ khác nhau và do đó phát ra bức xạ hồng ngoại với cường độ khác nhau ở một nhiệt độ nhất định. Điều này thường không phụ thuộc vào màu sắc, miễn là vật liệu của màu sắc không có sự khác biệt rõ rệt so với vật liệu của vật thể. Một ví dụ về trường hợp này là sơn hiệu ứng kim loại, chứa lượng lớn các hạt nhôm. Hầu hết các màu có cùng hệ số phát xạ, không phụ thuộc vào màu sắc. Tuy nhiên, nhôm có hệ số phát xạ rất khác biệt, do đó sơn hiệu ứng kim loại cũng có hệ số phát xạ khác.
Ngoài thành phần và cấu trúc bề mặt của vật thể, có một yếu tố thứ ba ảnh hưởng gián tiếp đến hệ số phát xạ, đó là dải quang phổ của cảm biến. Yếu tố này không ảnh hưởng trực tiếp đến vật thể, nhưng ảnh hưởng đến cách cảm biến nhận biết quang phổ phát ra từ vật thể.
Các vật liệu bán trong suốt, như thủy tinh, nhựa hoặc silicone, phải được đo trong một phạm vi nhất định bằng các bộ lọc chọn lọc tương ứng.
Ngoài thành phần và cấu trúc bề mặt của vật thể, có một yếu tố thứ ba ảnh hưởng gián tiếp đến hệ số phát xạ, đó là dải quang phổ của cảm biến. Yếu tố này không ảnh hưởng trực tiếp đến vật thể, nhưng ảnh hưởng đến cách cảm biến nhận biết quang phổ phát ra từ vật thể.
Các vật liệu bán trong suốt, như thủy tinh, nhựa hoặc silicone, phải được đo trong một phạm vi nhất định bằng các bộ lọc chọn lọc tương ứng.
Hình 5 Hệ số phát thải của các vật liệu khác nhau tùy thuộc vào bước sóng
Từ các đoạn trên, có thể thấy rõ rằng hệ số phát xạ là một thông số đặc biệt quan trọng trong đo nhiệt độ hồng ngoại. Miễn là hệ số phát xạ của đối tượng đo không được biết chính xác và không được tính đến trong quá trình đo, thì rất khó để có được các giá trị đo chính xác. Có hai cách chính để xác định hệ số phát xạ. Hệ số phát xạ có thể được lấy từ bảng dữ liệu hoặc được xác định bằng phép đo so sánh. Tuy nhiên, do các dữ liệu trong bảng thường được xác định trong điều kiện phòng thí nghiệm lý tưởng, các ảnh hưởng của môi trường xung quanh, vốn gây ra sự sai lệch rất lớn, đặc biệt là đối với các hệ số thấp, không được tính đến. Ngoài ra, bảng dữ liệu cũng không nêu rõ nhiệt độ và bước sóng đo lường cơ bản. Trong lần tiếp cận đầu tiên, giá trị trong bảng dữ liệu chắc chắn rất hữu ích. Trong phép đo so sánh, đối tượng đo lường được đo bằng cặp nhiệt điện hoặc cảm biến nhiệt độ khác, sau đó hệ số phát xạ được điều chỉnh trên nhiệt kế hồng ngoại để hiển thị cùng nhiệt độ. Theo nguyên tắc chung, hầu hết các vật liệu không trong suốt, không kim loại có hệ số phát xạ cao và tương đối ổn định từ 0,85 đến 0,95. Đối với hầu hết các vật liệu kim loại không bị oxy hóa, hệ số phát xạ nằm trong khoảng từ 0,2 đến 0,5, ngoại trừ vàng, bạc và nhôm, có hệ số phát xạ còn thấp hơn. Do đó, nhiệt độ của các kim loại này rất khó đo bằng nhiệt kế hồng ngoại, vì tỷ lệ phản xạ của bức xạ môi trường nằm trong phạm vi hoặc cao hơn bức xạ của vật thể.
Mặc dù hầu như luôn có thể xác định hệ số phát xạ của vật liệu, nhưng sẽ phát sinh vấn đề nếu vật liệu không có hệ số phát xạ ổn định mà thay đổi theo nhiệt độ. Điều này áp dụng cho hầu hết các kim loại, nhưng cũng áp dụng cho một số vật liệu khác, như silicon hoặc gốm đơn tinh thể có độ tinh khiết cao. Trong trường hợp này, nên thực hiện phép đo so sánh và điều chỉnh ở nhiệt độ quyết định quá trình.
Các phương trình và công thức mà phép đo nhiệt độ dựa trên đã được biết đến và chứng minh từ lâu. Không có nhiều khả năng người dùng phải sử dụng các công thức này trong công việc hàng ngày với nhiệt kế hồng ngoại. Tuy nhiên, kiến thức về các nguyên tắc cơ bản này giúp hiểu rõ hơn về cách các biến số và tham số nhất định ảnh hưởng lẫn nhau. Các công thức quan trọng nhất được tóm tắt như sau:
1. Định luật bức xạ của Kirchhoff
Ở nhiệt độ T và bước sóng l nhất định, hệ số phát xạ e bằng hệ số hấp thụ
e = α
Từ đó, dòng bức xạ øλ của một vật thể thực bằng dòng bức xạ của vật thể đen øs ở cùng nhiệt độ nhân với hệ số phát xạ của vật thể
øλ = ε * øs
2. Định luật Stefan-Boltzmann
Nhiệt độ T của một vật thể càng cao, thì công suất bức xạ P phát ra càng lớn với độ phát xạ ε và bề mặt bức xạ A nhất định (k = hằng số)
P =k*ε*A*T4
3. Định luật dịch chuyển của Wien
Bước sóng tại đó bức xạ năng lượng đạt cực đại sẽ dịch chuyển sang vùng sóng ngắn khi nhiệt độ tăng.
λmax = 2,89 * 103 μmK/T
4. Phương trình Planck
Phương trình này mô tả mối quan hệ giữa bước sóng, nhiệt độ T và công suất bức xạ.
Mặc dù hầu như luôn có thể xác định hệ số phát xạ của vật liệu, nhưng sẽ phát sinh vấn đề nếu vật liệu không có hệ số phát xạ ổn định mà thay đổi theo nhiệt độ. Điều này áp dụng cho hầu hết các kim loại, nhưng cũng áp dụng cho một số vật liệu khác, như silicon hoặc gốm đơn tinh thể có độ tinh khiết cao. Trong trường hợp này, nên thực hiện phép đo so sánh và điều chỉnh ở nhiệt độ quyết định quá trình.
Các phương trình và công thức mà phép đo nhiệt độ dựa trên đã được biết đến và chứng minh từ lâu. Không có nhiều khả năng người dùng phải sử dụng các công thức này trong công việc hàng ngày với nhiệt kế hồng ngoại. Tuy nhiên, kiến thức về các nguyên tắc cơ bản này giúp hiểu rõ hơn về cách các biến số và tham số nhất định ảnh hưởng lẫn nhau. Các công thức quan trọng nhất được tóm tắt như sau:
1. Định luật bức xạ của Kirchhoff
Ở nhiệt độ T và bước sóng l nhất định, hệ số phát xạ e bằng hệ số hấp thụ
e = α
Từ đó, dòng bức xạ øλ của một vật thể thực bằng dòng bức xạ của vật thể đen øs ở cùng nhiệt độ nhân với hệ số phát xạ của vật thể
øλ = ε * øs
2. Định luật Stefan-Boltzmann
Nhiệt độ T của một vật thể càng cao, thì công suất bức xạ P phát ra càng lớn với độ phát xạ ε và bề mặt bức xạ A nhất định (k = hằng số)
P =k*ε*A*T4
3. Định luật dịch chuyển của Wien
Bước sóng tại đó bức xạ năng lượng đạt cực đại sẽ dịch chuyển sang vùng sóng ngắn khi nhiệt độ tăng.
λmax = 2,89 * 103 μmK/T
4. Phương trình Planck
Phương trình này mô tả mối quan hệ giữa bước sóng, nhiệt độ T và công suất bức xạ.

Thiết kế nhiệt kế hồng ngoại
Một nhiệt kế hồng ngoại cơ bản bao gồm các khối chức năng sau:
1. Một thấu kính tập trung năng lượng bức xạ từ vật thể.
2. Một bộ cảm biến chuyển đổi năng lượng bức xạ thành tín hiệu điện.
3. Một cài đặt cho hệ số phát xạ để điều chỉnh nhiệt kế phù hợp với đặc tính của vật thể đo.
4. Bù nhiệt độ môi trường, ngăn nhiệt độ của nhiệt kế ảnh hưởng đến tín hiệu đầu ra.
Trong nhiều năm, hầu hết các nhiệt kế hồng ngoại có bán trên thị trường đều tuân theo nguyên tắc này. Chúng có khả năng ứng dụng hạn chế và nhìn lại thì không cung cấp kết quả đo lường thỏa đáng. Tuy nhiên, theo tiêu chuẩn thời đó, chúng hoàn toàn phù hợp và rất bền.
1. Một thấu kính tập trung năng lượng bức xạ từ vật thể.
2. Một bộ cảm biến chuyển đổi năng lượng bức xạ thành tín hiệu điện.
3. Một cài đặt cho hệ số phát xạ để điều chỉnh nhiệt kế phù hợp với đặc tính của vật thể đo.
4. Bù nhiệt độ môi trường, ngăn nhiệt độ của nhiệt kế ảnh hưởng đến tín hiệu đầu ra.
Trong nhiều năm, hầu hết các nhiệt kế hồng ngoại có bán trên thị trường đều tuân theo nguyên tắc này. Chúng có khả năng ứng dụng hạn chế và nhìn lại thì không cung cấp kết quả đo lường thỏa đáng. Tuy nhiên, theo tiêu chuẩn thời đó, chúng hoàn toàn phù hợp và rất bền.
Hình 6 Sơ đồ khối của nhiệt kế hồng ngoại
Các nhiệt kế hồng ngoại hiện đại được xây dựng dựa trên khái niệm cơ bản này, nhưng đã được cải tiến đáng kể theo thời gian. Những khác biệt quan trọng nhất là việc sử dụng nhiều loại cảm biến khác nhau, lọc chọn lọc tín hiệu hồng ngoại, tuyến tính hóa và khuếch đại tín hiệu cảm biến, cũng như các tín hiệu đầu ra nhiệt độ tiêu chuẩn như 4-20 mA hoặc 0-10 V DC. Hình 6 cho thấy sơ đồ khối của một nhiệt kế hồng ngoại hiện đại.
Bước tiến quan trọng nhất trong đo nhiệt độ hồng ngoại có lẽ là sự ra đời của bộ lọc chọn lọc cho bức xạ hồng ngoại. Điều này cho phép sử dụng các cảm biến nhạy hơn và bộ khuếch đại tín hiệu ổn định hơn. Trong khi các nhiệt kế hồng ngoại đầu tiên phải dựa vào một phổ hồng ngoại rộng để có được tín hiệu đầu ra cảm biến có thể sử dụng, các cảm biến hiện đại chỉ cần một băng thông từ 1 μm là đủ. Sự cần thiết phải thu hẹp phổ và lựa chọn các bước sóng nhất định xuất phát từ việc thường phải đo qua một môi trường mà nhiệt độ của carbon hoặc hydro không được tính vào phép đo. Hơn nữa, đôi khi cần phải đo nhiệt độ của các vật thể hoặc khí có tính thấm qua một dải rộng của phổ hồng ngoại. Một số ví dụ về giới hạn phổ chọn lọc là:
· 8 - 14 μm: Ảnh hưởng của độ ẩm không khí cũng được loại trừ ở khoảng cách xa.
· 7,9 μm: Cho phép đo các màng nhựa mỏng, có tính thấm IR trên phạm vi rộng.
· 3,86 μm: Hiệu quả loại bỏ nhiễu do CO2 và hơi nước trong ngọn lửa và khí thải đốt cháy.
Bước tiến quan trọng nhất trong đo nhiệt độ hồng ngoại có lẽ là sự ra đời của bộ lọc chọn lọc cho bức xạ hồng ngoại. Điều này cho phép sử dụng các cảm biến nhạy hơn và bộ khuếch đại tín hiệu ổn định hơn. Trong khi các nhiệt kế hồng ngoại đầu tiên phải dựa vào một phổ hồng ngoại rộng để có được tín hiệu đầu ra cảm biến có thể sử dụng, các cảm biến hiện đại chỉ cần một băng thông từ 1 μm là đủ. Sự cần thiết phải thu hẹp phổ và lựa chọn các bước sóng nhất định xuất phát từ việc thường phải đo qua một môi trường mà nhiệt độ của carbon hoặc hydro không được tính vào phép đo. Hơn nữa, đôi khi cần phải đo nhiệt độ của các vật thể hoặc khí có tính thấm qua một dải rộng của phổ hồng ngoại. Một số ví dụ về giới hạn phổ chọn lọc là:
· 8 - 14 μm: Ảnh hưởng của độ ẩm không khí cũng được loại trừ ở khoảng cách xa.
· 7,9 μm: Cho phép đo các màng nhựa mỏng, có tính thấm IR trên phạm vi rộng.
· 3,86 μm: Hiệu quả loại bỏ nhiễu do CO2 và hơi nước trong ngọn lửa và khí thải đốt cháy.
Khi lựa chọn bước sóng thích hợp nhất cho phép đo, phạm vi nhiệt độ đóng vai trò quan trọng. Từ phương trình Planck, như được thể hiện trong Hình 2 cho một vật đen, có thể thấy rằng khi nhiệt độ tăng, đỉnh của đường cong bức xạ sẽ dịch chuyển sang vùng sóng ngắn. Ngay cả trong các ứng dụng không yêu cầu lựa chọn vùng quang phổ cụ thể, việc giới hạn vùng quang phổ trong một phạm vi hẹp với bước sóng càng ngắn càng tốt cũng có thể mang lại lợi ích. Một lợi thế là hệ số phát xạ hiệu quả của nhiều vật thể, đặc biệt là kim loại, đạt mức cao nhất ở bước sóng ngắn hơn. Hơn nữa, giới hạn này có tác động tích cực đến độ chính xác, vì các cảm biến có dải quang phổ hẹp ít bị ảnh hưởng bởi những thay đổi trong hệ số phát xạ của vật thể đo, như thể hiện trong Hình 7.
Hình 7 Sự phụ thuộc của độ phát xạ sai ở các bước sóng khác nhau
Cấu trúc xây dựng
Nhiệt kế hồng ngoại được sản xuất với nhiều cấu hình khác nhau, khác nhau về quang học, điện tử, công nghệ, kích thước và vỏ bọc. Tuy nhiên, tất cả đều có chung chuỗi xử lý tín hiệu, bắt đầu bằng tín hiệu hồng ngoại và kết thúc bằng tín hiệu đầu ra điện tử. Chuỗi đo lường chung này bắt đầu với một hệ thống quang học gồm thấu kính và/hoặc sợi quang, bộ lọc và bộ dò.
Từ góc độ kỹ thuật ứng dụng, trường nhìn là đặc điểm chính của quang học, tức là kích thước của điểm đo ở một khoảng cách nhất định. Tỷ lệ giữa khoảng cách đo và đường kính điểm đo được mô tả bằng tỷ lệ khoảng cách. Trong thực tế, có thể lựa chọn giữa các nhiệt kế có tiêu cự cố định và quang học có thể lấy nét. Các thiết bị có quang học cố định chỉ hiển thị đối tượng rõ nét tại tiêu điểm. Ở các khoảng cách đo khác, đường kính điểm đo tăng không tỷ lệ thuận với tỷ lệ khoảng cách tính toán. Loại quang học này chủ yếu thích hợp cho các đối tượng có diện tích lớn. Đối với các đối tượng nhỏ hoặc khoảng cách đo lớn hơn, nên sử dụng quang học có thể điều chỉnh tiêu cự. Do có thể điều chỉnh khoảng cách đo, nhiệt kế có ống kính có thể điều chỉnh tiêu cự có thể được sử dụng linh hoạt hơn nhiều.
Khi chỉ định và so sánh đường kính điểm đo, điều quan trọng là phải biết chỉ định đó liên quan đến bao nhiêu phần trăm công suất bức xạ. Ví dụ, một điểm đo liên quan đến 98% năng lượng có đường kính gấp đôi so với đường kính liên quan đến 90% công suất. Điều này có thể dẫn đến sai số đo đáng kể, đặc biệt là đối với các vật thể nhỏ có kích thước tương đương với điểm đo của nhiệt kế.
Một khía cạnh khác của quang học là việc nhắm vào vật thể đo. Đối với các thiết bị không có kính ngắm, ống kính được định hướng cố định vào bề mặt và đo nhiệt độ bề mặt. Điều này đặc biệt áp dụng cho các cảm biến cố định, được định hướng vào các vật thể đủ lớn và không yêu cầu đo chính xác đến từng điểm. Đối với các vật thể đo nhỏ hơn hoặc các thiết bị đo ở khoảng cách lớn hơn, thiết bị ngắm dưới dạng kính ngắm, điểm sáng hoặc tia laser là không thể thiếu.
Độ nhạy của nhiệt kế được xác định bằng cách sử dụng một loạt các bộ cảm biến và bộ lọc khác nhau. Như có thể thấy trong Hình 8, bộ cảm biến sunfua chì có độ nhạy cao nhất và cột nhiệt có độ nhạy thấp nhất. Hầu hết các bộ cảm biến hoạt động theo nguyên tắc quang điện (bức xạ hồng ngoại chiếu vào tạo ra tín hiệu điện áp) hoặc dựa trên tính dẫn quang (bức xạ hồng ngoại chiếu vào làm thay đổi điện trở).
Do năng lượng bức xạ thấp, ở nhiệt độ thấp và do đó bước sóng đo dài hơn, cần có dải quang phổ băng rộng tương ứng. Ở nhiệt độ cao hơn, độ nhạy được thu hẹp đáng kể bằng bộ lọc băng hẹp. Điều này giúp giảm thiểu các ảnh hưởng nhiễu phụ thuộc vào bước sóng.
Từ góc độ kỹ thuật ứng dụng, trường nhìn là đặc điểm chính của quang học, tức là kích thước của điểm đo ở một khoảng cách nhất định. Tỷ lệ giữa khoảng cách đo và đường kính điểm đo được mô tả bằng tỷ lệ khoảng cách. Trong thực tế, có thể lựa chọn giữa các nhiệt kế có tiêu cự cố định và quang học có thể lấy nét. Các thiết bị có quang học cố định chỉ hiển thị đối tượng rõ nét tại tiêu điểm. Ở các khoảng cách đo khác, đường kính điểm đo tăng không tỷ lệ thuận với tỷ lệ khoảng cách tính toán. Loại quang học này chủ yếu thích hợp cho các đối tượng có diện tích lớn. Đối với các đối tượng nhỏ hoặc khoảng cách đo lớn hơn, nên sử dụng quang học có thể điều chỉnh tiêu cự. Do có thể điều chỉnh khoảng cách đo, nhiệt kế có ống kính có thể điều chỉnh tiêu cự có thể được sử dụng linh hoạt hơn nhiều.
Khi chỉ định và so sánh đường kính điểm đo, điều quan trọng là phải biết chỉ định đó liên quan đến bao nhiêu phần trăm công suất bức xạ. Ví dụ, một điểm đo liên quan đến 98% năng lượng có đường kính gấp đôi so với đường kính liên quan đến 90% công suất. Điều này có thể dẫn đến sai số đo đáng kể, đặc biệt là đối với các vật thể nhỏ có kích thước tương đương với điểm đo của nhiệt kế.
Một khía cạnh khác của quang học là việc nhắm vào vật thể đo. Đối với các thiết bị không có kính ngắm, ống kính được định hướng cố định vào bề mặt và đo nhiệt độ bề mặt. Điều này đặc biệt áp dụng cho các cảm biến cố định, được định hướng vào các vật thể đủ lớn và không yêu cầu đo chính xác đến từng điểm. Đối với các vật thể đo nhỏ hơn hoặc các thiết bị đo ở khoảng cách lớn hơn, thiết bị ngắm dưới dạng kính ngắm, điểm sáng hoặc tia laser là không thể thiếu.
Độ nhạy của nhiệt kế được xác định bằng cách sử dụng một loạt các bộ cảm biến và bộ lọc khác nhau. Như có thể thấy trong Hình 8, bộ cảm biến sunfua chì có độ nhạy cao nhất và cột nhiệt có độ nhạy thấp nhất. Hầu hết các bộ cảm biến hoạt động theo nguyên tắc quang điện (bức xạ hồng ngoại chiếu vào tạo ra tín hiệu điện áp) hoặc dựa trên tính dẫn quang (bức xạ hồng ngoại chiếu vào làm thay đổi điện trở).
Do năng lượng bức xạ thấp, ở nhiệt độ thấp và do đó bước sóng đo dài hơn, cần có dải quang phổ băng rộng tương ứng. Ở nhiệt độ cao hơn, độ nhạy được thu hẹp đáng kể bằng bộ lọc băng hẹp. Điều này giúp giảm thiểu các ảnh hưởng nhiễu phụ thuộc vào bước sóng.
Để tối ưu hóa phản ứng của hệ thống cảm biến hồng ngoại, cần phải tính đến đường cong quang phổ của bộ cảm biến cũng như các đặc tính của nó.
Hệ thống điện tử của nhiệt kế hồng ngoại tuyến tính hóa tín hiệu đầu ra của bộ cảm biến để cuối cùng tạo ra tín hiệu dòng điện tuyến tính 0 (4) – 20 mA hoặc tín hiệu điện áp 0(2)-10 V. Hiện nay, việc tuyến tính hóa thường được thực hiện bằng phần mềm thông qua vi xử lý.
So với tuyến tính hóa analog, phương pháp này cho phép đạt được độ chính xác cao hơn với phạm vi đo lớn hơn.
Tín hiệu cũng có thể được số hóa và xuất ra giao diện hoặc được truyền đến bộ điều khiển, bộ hiển thị hoặc bộ ghi. Tùy thuộc vào thiết bị, nhiệt kế hồng ngoại có các chức năng bổ sung như báo động, bộ nhớ min/max có thể điều chỉnh cho các phép đo gián đoạn, khoảng thời gian đo và thời gian phản hồi có thể điều chỉnh, cũng như chức năng lấy mẫu và giữ.
Như đã đề cập ở phần đầu, ưu điểm của phép đo nhiệt độ không tiếp xúc là thời gian phản hồi ngắn. Các cảm biến nhiệt điện cho thiết bị nhiệt độ thấp đạt thời gian phản hồi 30 ms. Các cảm biến nhiệt độ cao quang điện có thời gian phản hồi 2 ms.
Nếu một cảm biến có thời gian phản hồi nhanh được sử dụng trong một ứng dụng, các thành phần còn lại của mạch điều khiển cũng phải cho phép tốc độ xử lý hoặc điều chỉnh tương ứng.
Hệ thống điện tử của nhiệt kế hồng ngoại tuyến tính hóa tín hiệu đầu ra của bộ cảm biến để cuối cùng tạo ra tín hiệu dòng điện tuyến tính 0 (4) – 20 mA hoặc tín hiệu điện áp 0(2)-10 V. Hiện nay, việc tuyến tính hóa thường được thực hiện bằng phần mềm thông qua vi xử lý.
So với tuyến tính hóa analog, phương pháp này cho phép đạt được độ chính xác cao hơn với phạm vi đo lớn hơn.
Tín hiệu cũng có thể được số hóa và xuất ra giao diện hoặc được truyền đến bộ điều khiển, bộ hiển thị hoặc bộ ghi. Tùy thuộc vào thiết bị, nhiệt kế hồng ngoại có các chức năng bổ sung như báo động, bộ nhớ min/max có thể điều chỉnh cho các phép đo gián đoạn, khoảng thời gian đo và thời gian phản hồi có thể điều chỉnh, cũng như chức năng lấy mẫu và giữ.
Như đã đề cập ở phần đầu, ưu điểm của phép đo nhiệt độ không tiếp xúc là thời gian phản hồi ngắn. Các cảm biến nhiệt điện cho thiết bị nhiệt độ thấp đạt thời gian phản hồi 30 ms. Các cảm biến nhiệt độ cao quang điện có thời gian phản hồi 2 ms.
Nếu một cảm biến có thời gian phản hồi nhanh được sử dụng trong một ứng dụng, các thành phần còn lại của mạch điều khiển cũng phải cho phép tốc độ xử lý hoặc điều chỉnh tương ứng.
Hình 8 Đường cong quang phổ của các cảm biến khác nhau
Đo đơn sắc: Đo nhiệt độ ở một bước sóng
Khi đo nhiệt độ ở một bước sóng, năng lượng được phát ra từ bề mặt ở một bước sóng nhất định sẽ được đo. Các thiết kế của các thiết bị này bao gồm từ các cảm biến di động với màn hình hiển thị bên ngoài đơn giản đến các thiết bị di động tinh vi, trong đó nhiệt độ được hiển thị trong một cửa sổ quan sát qua đó đối tượng được nhắm vào. Ngoài ra, còn có các chức năng lưu trữ và in. Phạm vi của các cảm biến trực tuyến cố định bao gồm từ các đầu dò nhỏ đơn giản với thiết bị điện tử bên ngoài đến các cụm lắp ráp chắc chắn và phức tạp với bộ điều khiển PID tích hợp. Sợi quang, ống kính nhìn xuyên, thiết bị nhắm laser, làm mát bằng nước và hệ thống quét là các tùy chọn được sử dụng trong giám sát và điều khiển quá trình. Gần đây, thậm chí còn có các nhiệt kế với camera video tích hợp, cho phép kiểm tra trực quan điểm đo từ phòng điều khiển ngoài việc đo lường. Có sự khác biệt lớn về kích thước, hiệu suất, độ bền, tính linh hoạt và xử lý tín hiệu.
Khi lập kế hoạch và thiết kế ứng dụng, cấu hình cảm biến, bộ lọc, phạm vi nhiệt độ, quang học, thời gian phản hồi và hệ số phát xạ là những tiêu chí quan trọng cần được xem xét kỹ lưỡng.
Việc lựa chọn dải quang phổ IR và phạm vi nhiệt độ luôn phải được xem xét trong mối liên hệ với ứng dụng cụ thể. Từ các đường cong quang phổ được hiển thị trong Hình 2, có thể thấy rằng bước sóng ngắn phù hợp hơn với nhiệt độ cao, trong khi nhiệt độ thấp nên được đo trong phạm vi bước sóng dài hơn. Khi đo các vật thể trong suốt, như thủy tinh hoặc màng nhựa, cần phải sử dụng bộ lọc chọn lọc băng tần hẹp. Ví dụ, màng polyethylene có dải hấp thụ CH là 3,43 μm, tại đó nó không truyền qua bức xạ hồng ngoại. Tương tự, nhiều vật liệu giống thủy tinh có dải không truyền qua ở khoảng 5 μm. Ngược lại, cảm biến có bộ lọc trong dải đến 2 μm cho phép đo qua cửa sổ kính, ví dụ như trong buồng chân không hoặc buồng áp suất. Một tùy chọn khác để đo trong buồng ở các điểm đo chật hẹp hoặc nhiệt độ môi trường cao là sử dụng sợi quang.
Do đó, đo nhiệt độ IR hoạt động với bước sóng là một công nghệ đa năng nhưng đơn giản, đủ cho nhiều ứng dụng trong đó việc điều chỉnh nhiệt độ sản phẩm là yếu tố thiết yếu để đảm bảo chất lượng sản phẩm ổn định.
Khi lập kế hoạch và thiết kế ứng dụng, cấu hình cảm biến, bộ lọc, phạm vi nhiệt độ, quang học, thời gian phản hồi và hệ số phát xạ là những tiêu chí quan trọng cần được xem xét kỹ lưỡng.
Việc lựa chọn dải quang phổ IR và phạm vi nhiệt độ luôn phải được xem xét trong mối liên hệ với ứng dụng cụ thể. Từ các đường cong quang phổ được hiển thị trong Hình 2, có thể thấy rằng bước sóng ngắn phù hợp hơn với nhiệt độ cao, trong khi nhiệt độ thấp nên được đo trong phạm vi bước sóng dài hơn. Khi đo các vật thể trong suốt, như thủy tinh hoặc màng nhựa, cần phải sử dụng bộ lọc chọn lọc băng tần hẹp. Ví dụ, màng polyethylene có dải hấp thụ CH là 3,43 μm, tại đó nó không truyền qua bức xạ hồng ngoại. Tương tự, nhiều vật liệu giống thủy tinh có dải không truyền qua ở khoảng 5 μm. Ngược lại, cảm biến có bộ lọc trong dải đến 2 μm cho phép đo qua cửa sổ kính, ví dụ như trong buồng chân không hoặc buồng áp suất. Một tùy chọn khác để đo trong buồng ở các điểm đo chật hẹp hoặc nhiệt độ môi trường cao là sử dụng sợi quang.
Do đó, đo nhiệt độ IR hoạt động với bước sóng là một công nghệ đa năng nhưng đơn giản, đủ cho nhiều ứng dụng trong đó việc điều chỉnh nhiệt độ sản phẩm là yếu tố thiết yếu để đảm bảo chất lượng sản phẩm ổn định.
Đo tỷ lệ: Đo nhiệt độ ở hai hoặc nhiều bước sóng
Dựa trên giả định rằng hệ số phát xạ có ý nghĩa quan trọng đối với việc đo nhiệt độ chính xác bằng nhiệt kế hồng ngoại hoặc có các môi trường trung gian trong đường truyền tia, không có gì ngạc nhiên khi các nhà nghiên cứu đang nỗ lực phát triển các cảm biến có thể đo nhiệt độ mà không bị ảnh hưởng bởi các yếu tố gây nhiễu này. Một phương pháp phổ biến và đã được chứng minh hiệu quả là đo tỷ lệ hoặc đa màu. Phương pháp này đo tỷ lệ năng lượng ở hai bước sóng khác nhau thay vì lượng năng lượng tuyệt đối của một bước sóng. Từ "đo đa màu" bắt nguồn từ quan niệm cũ về việc liên kết màu sắc có thể nhìn thấy với nhiệt độ. Quan niệm này - và do đó cả tên gọi - hiện đã hơi lỗi thời, nhưng vẫn còn được sử dụng.
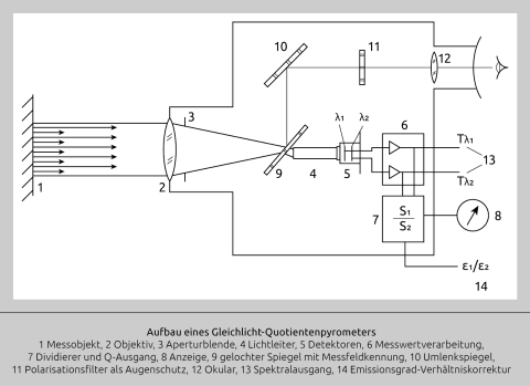
Hiệu quả của khái niệm này dựa trên việc các thay đổi trong tính chất bề mặt của vật thể đo hoặc các chướng ngại vật nằm trong góc nhìn của vật thể đo được nhận biết như nhau bởi hai bộ cảm biến. Do đó, tỷ lệ giữa các tín hiệu đầu ra của cảm biến vẫn giữ nguyên và do đó nhiệt độ đo được cũng không thay đổi. Hình 9 cho thấy hình ảnh đơn giản hóa của một nhiệt kế hoạt động theo nguyên tắc này.
Hiệu quả của khái niệm này dựa trên việc các thay đổi trong tính chất bề mặt của vật thể đo hoặc các chướng ngại vật nằm trong góc nhìn của vật thể đo được nhận biết như nhau bởi hai bộ cảm biến. Do đó, tỷ lệ giữa các tín hiệu đầu ra của cảm biến vẫn giữ nguyên và do đó nhiệt độ đo được cũng không thay đổi. Hình 9 cho thấy hình ảnh đơn giản hóa của một nhiệt kế hoạt động theo nguyên tắc này.
Abb. 9 Verhältnismessung
Bằng cách đo tỷ lệ thay vì giá trị tuyệt đối, có thể tránh được sự không chính xác do yếu tố phát thải không xác định hoặc thay đổi trong các điều kiện được mô tả ở trên. Việc đo nhiệt độ chính xác cũng được thực hiện ngay cả khi một phần của trường nhìn bị che khuất bởi các vật liệu lạnh hơn, như bụi, hơi nước, giá đỡ hoặc cửa sổ.
Miễn là môi trường giữa vật thể và cảm biến không làm suy giảm một cách chọn lọc bước sóng nhất định, tỷ lệ sẽ vẫn không đổi và do đó nhiệt độ đo được bằng nhiệt kế cũng không đổi.
Do đó, phương pháp này phù hợp cho các ứng dụng mà các kỹ thuật đo lường khác không thể hoặc khó giải quyết, ví dụ như đo nhiệt độ trong lò nung xi măng hoặc đo qua cửa sổ bị mờ trong quá trình xử lý, như trong trường hợp nấu chảy kim loại trong chân không. Tuy nhiên, cần lưu ý rằng cả hai cảm biến phải nhận biết được những thay đổi động này như nhau, tức là những thay đổi phải ảnh hưởng đến tất cả các bước sóng như nhau.
Tất nhiên, phương pháp này cũng có những hạn chế cần phải lưu ý. Phương pháp đo tỷ lệ không phù hợp với các vật liệu phản xạ màu, ví dụ như nhôm. Phương pháp này cũng không thể được sử dụng để đo qua các cửa sổ thay đổi truyền qua hoặc Pyrex nóng. Ngoài ra, phương pháp này có xu hướng thu nhận và đo nhiệt độ nền nếu nhiệt độ này cao hơn nhiệt độ của vật thể được đo.
Miễn là môi trường giữa vật thể và cảm biến không làm suy giảm một cách chọn lọc bước sóng nhất định, tỷ lệ sẽ vẫn không đổi và do đó nhiệt độ đo được bằng nhiệt kế cũng không đổi.
Do đó, phương pháp này phù hợp cho các ứng dụng mà các kỹ thuật đo lường khác không thể hoặc khó giải quyết, ví dụ như đo nhiệt độ trong lò nung xi măng hoặc đo qua cửa sổ bị mờ trong quá trình xử lý, như trong trường hợp nấu chảy kim loại trong chân không. Tuy nhiên, cần lưu ý rằng cả hai cảm biến phải nhận biết được những thay đổi động này như nhau, tức là những thay đổi phải ảnh hưởng đến tất cả các bước sóng như nhau.
Tất nhiên, phương pháp này cũng có những hạn chế cần phải lưu ý. Phương pháp đo tỷ lệ không phù hợp với các vật liệu phản xạ màu, ví dụ như nhôm. Phương pháp này cũng không thể được sử dụng để đo qua các cửa sổ thay đổi truyền qua hoặc Pyrex nóng. Ngoài ra, phương pháp này có xu hướng thu nhận và đo nhiệt độ nền nếu nhiệt độ này cao hơn nhiệt độ của vật thể được đo.
Hình 10 cho thấy một ví dụ về các sản phẩm khác nhau có hệ số phát xạ thay đổi theo nhiệt độ. Ví dụ, than chì thường được đánh giá là có hệ số phát xạ cao và ổn định. Thực tế thì ngược lại - hệ số phát xạ tăng từ 0,4 lên 0,65 trong khoảng nhiệt độ từ 20°C đến 1100°C.
Đối với các bộ phát nhiệt màu, có hệ số phát xạ thay đổi theo bước sóng, có các nhiệt kế đa màu đo năng lượng của một loạt các bước sóng. Các ứng dụng như vậy được thực hiện sau khi phân tích kỹ lưỡng các đặc tính bề mặt của sản phẩm liên quan. Do đó, mối quan hệ giữa hệ số phát xạ, nhiệt độ, bước sóng và hóa học bề mặt phải được nghiên cứu. Với dữ liệu này, có thể thiết lập các thuật toán để liên kết bức xạ ở các bước sóng khác nhau với nhiệt độ một cách có ý nghĩa.
Nếu trong trường nhìn có một môi trường có kích thước hạt phù hợp với một trong các bước sóng được sử dụng để đo, tỷ lệ này cũng sẽ bị sai lệch.
Mặc dù có những hạn chế này, việc đo tỷ lệ vẫn hoạt động rất tốt trong một số ứng dụng. Trong một số ứng dụng, phương pháp này là giải pháp tốt nhất, nếu không muốn nói là duy nhất, để đo nhiệt độ.
Đối với các bộ phát nhiệt màu, có hệ số phát xạ thay đổi theo bước sóng, có các nhiệt kế đa màu đo năng lượng của một loạt các bước sóng. Các ứng dụng như vậy được thực hiện sau khi phân tích kỹ lưỡng các đặc tính bề mặt của sản phẩm liên quan. Do đó, mối quan hệ giữa hệ số phát xạ, nhiệt độ, bước sóng và hóa học bề mặt phải được nghiên cứu. Với dữ liệu này, có thể thiết lập các thuật toán để liên kết bức xạ ở các bước sóng khác nhau với nhiệt độ một cách có ý nghĩa.
Nếu trong trường nhìn có một môi trường có kích thước hạt phù hợp với một trong các bước sóng được sử dụng để đo, tỷ lệ này cũng sẽ bị sai lệch.
Mặc dù có những hạn chế này, việc đo tỷ lệ vẫn hoạt động rất tốt trong một số ứng dụng. Trong một số ứng dụng, phương pháp này là giải pháp tốt nhất, nếu không muốn nói là duy nhất, để đo nhiệt độ.
Hình 10 Đối với nhiều vật liệu, hệ số phát thải thay đổi theo nhiệt độ. Hình này cho thấy một số vật liệu thông dụng.
Tóm tắt
Hình 11 một lần nữa cho thấy các yếu tố chính của một ứng dụng. Yếu tố quan trọng nhất ở đây là bề mặt của vật thể cần đo. Khi lựa chọn thiết bị phù hợp, cần phải xem xét kích thước của vật thể cần đo, phạm vi nhiệt độ, hệ số phát xạ, độ nhạy quang phổ và thời gian phản hồi.
Ngoài ra, để lựa chọn thiết bị phù hợp nhất, cũng cần xem xét các điều kiện môi trường, ví dụ như sự hiện diện của ngọn lửa, lò sưởi hồng ngoại, lò nung cảm ứng cũng như tính chất của môi trường (bụi, cửa sổ bẩn, khói, nhiệt, v.v.).
Ngoài ra, để lựa chọn thiết bị phù hợp nhất, cũng cần xem xét các điều kiện môi trường, ví dụ như sự hiện diện của ngọn lửa, lò sưởi hồng ngoại, lò nung cảm ứng cũng như tính chất của môi trường (bụi, cửa sổ bẩn, khói, nhiệt, v.v.).
Abb. 11 Störeinflüsse
Đo nhiệt độ hồng ngoại là một công nghệ tiên tiến, được tối ưu hóa liên tục và thích ứng cho các ứng dụng mới khác. Công nghệ này đã chứng tỏ hiệu quả hàng ngày trong các ngành công nghiệp khác nhau cũng như trong nghiên cứu. Với sự hiểu biết đúng đắn về công nghệ cơ bản và việc xem xét tất cả các thông số ứng dụng có liên quan, phương pháp đo này thường mang lại kết quả mong muốn, miễn là thiết bị được lắp đặt cẩn thận. Trong bối cảnh này, "cẩn thận" có nghĩa là cảm biến được vận hành theo các thông số kỹ thuật của nó và các biện pháp phòng ngừa thích hợp đã được thực hiện để giữ cho ống kính không bị bám bẩn và cặn bẩn.
Do đó, một tiêu chí khi lựa chọn nhà sản xuất nhiệt kế nên là sự sẵn có của các phụ kiện bảo vệ và lắp đặt. Cũng cần xem xét mức độ mà các phụ kiện này cho phép tháo lắp nhanh chóng và thay thế cảm biến nếu cần. Nếu tuân thủ các hướng dẫn này, nhiệt kế hồng ngoại hiện đại trong nhiều trường hợp sẽ hoạt động đáng tin cậy hơn so với cảm biến nhiệt điện cặp hoặc Pt100.
Do đó, một tiêu chí khi lựa chọn nhà sản xuất nhiệt kế nên là sự sẵn có của các phụ kiện bảo vệ và lắp đặt. Cũng cần xem xét mức độ mà các phụ kiện này cho phép tháo lắp nhanh chóng và thay thế cảm biến nếu cần. Nếu tuân thủ các hướng dẫn này, nhiệt kế hồng ngoại hiện đại trong nhiều trường hợp sẽ hoạt động đáng tin cậy hơn so với cảm biến nhiệt điện cặp hoặc Pt100.














